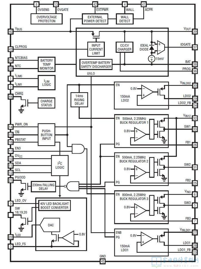
概述:LTC3577-4采用小外形4mmx7mm44引脚QFN封装。集成了一个 USB 兼容的线性电源通路 (PowerPath?) 管理器、一个独立电池充电器、过压保护 (OVP)、用于 10 个 LED 的驱动器、按钮接通/关断控制、3 个高效率同步降压型稳压器和两个 LDO。具有 4.1V 电池浮动电压,以改善电池周期寿命并实现额外的高温安全裕度,是为 SiRF Atlas IV 芯片组定制的。
    电源通路管理器具自动负载优先处理功能,可无缝地管理多个输入电源之间的转换,以向负载供电,同时从交流适配器电源提供高达 1.5A 的电池充电电流,或从 USB 端口提供高达 500mA 的充电电流。充电器与高达 5.5V (最大绝对瞬态值为 7V,以增强坚固性) 的输入兼容。这些 IC 的“即时接通”工作能确保系统负载供电,即使在电池完全放电时也不例外。自主工作简化了设计,无需外部微处理器实现充电终止。过压保护控制器为交流/USB 输入提供高达 30V 的保护,而高温电池电压降低电路用于改善电池的安全性和可靠性。
    
    3个集成的同步降压型稳压器以 100% 占空比工作,能够分别提供 800/500/500mA 的输出电流,并具有低至 0.8V 的可调输出电压。2.25MHz 的高开关频率允许使用高度不到 1mm 的纤巧低成本电容器和电感器。内部低 RDS(ON) 开关实现高达 95% 的效率,从而进一步最大限度地延长电池运行时间。此外,I2C 控制的突发模式 (Burst Mode?) 工作以每稳压器仅 20uA 的静态电流 (停机时 <1uA) 优化了轻负载时的效率。此外,这些稳压器用陶瓷输出电容器可稳定,从而实现了非常低的输出电压纹波。

    其他特点包括:一个具 I2C 控制型 60dB 亮度 (1000:1 调光范围) 和灰度等级控制能力的 40V 串联背面照明 10-LED 驱动器、具系统复位功能的按钮接通/关断控制、以及双路 150mA 电流限制 LDO。

一、LTC3577-4功能和特点:

      具“即时接通”操作功能的全功能锂离子/锂聚合物电池充电器/PowerPathTM控制器

      输出可调的三通道、高效率降压型开关稳压器(800mA、500mA、500mAIOUT)

      I2C可调型SW转换速率用于降低EMI

      高温电池电压下降可改善安全性和可靠性

      用于USB(VBUS)/墙上适配器输入的过压保护控制器提供至30V的保护作用

    具60dB亮度控制范围和灰度等级(通过I2C来实现)的集成40V串联LED背光源驱动器

     1.5A最大充电电流和热限制

      电池浮置电压:4.1V

    具系统复位功能的按钮接通/关断控制

    双通道150mA电流限制LDO

    与SiRFAtlasIV处理器相兼容的启动定时


二、LTC3577-4引脚功能


三、LTC3577-4内部方框图

四、LTC3577-4典型应用电路