在采用隔离式或非隔离式电源的情况下,LT4180 可与采用任何拓扑的稳压器一起工作。输出校正通过调制输出并测量电压的逐步变化实现,电压的逐步变化是随电流的变化产生。通过位于负载端的电源旁路电容器,可以消除任何调制噪声。
一、LT4180功能和特点:
·严格的负载调节,无需远端采样导线
·与隔离式和非隔离式电源兼容
·可与任何拓扑一起工作
·3V至5V的VIN范围
·能驱动光耦合器
·低接通瞬态
·欠压和过压保护
·扩展频谱调制颤振频率
·在整个温度范围内具±1%准确度的内部基准电压
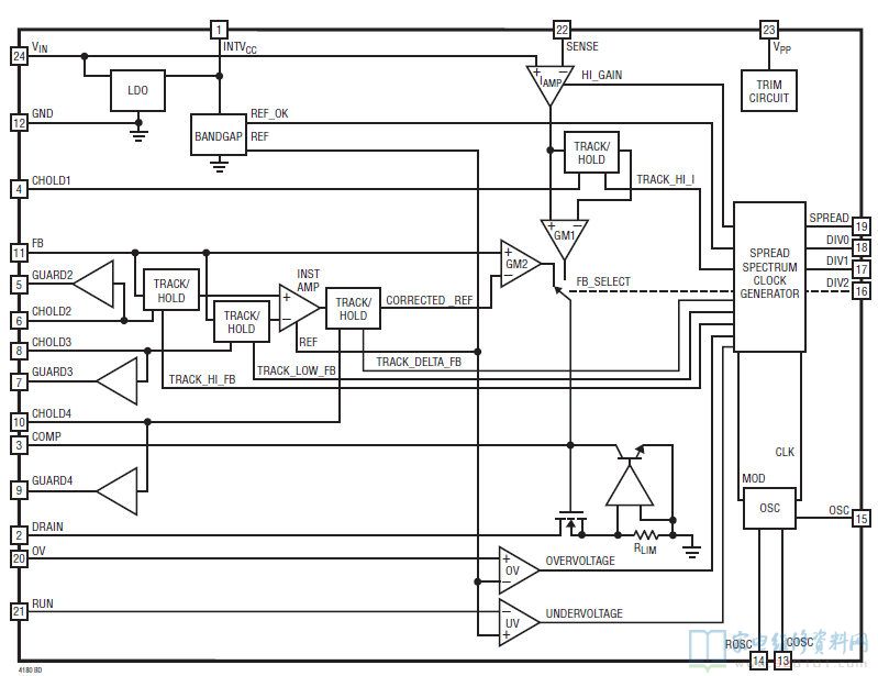
二、LT4180引脚功能
三、LT4180内部方框图

四、LT4180典型应用电路
网友评论