概述:LTC3865-1采用耐热增强型 5×5mm QFN32脚封装。效率为 95% 的双输出同步降压型 DC/DC 控制器,该器件具有两引脚可选 VOUT 设定功能,该功能节省了4 个精准反馈电阻器。输出电压保持严格的 ±1% 准确度,包括初始设置点、-40℃至 125℃的工作温度范围和负载/电压调节。可以选择从 0.6V 至 5V 的 9 个输出电压。4.5V 至 38V 的输入电压范围涵盖各种应用,包括大多数的中间总线电压和电池化学组成。强大的内置 N 沟道 MOSFET 驱动器允许使用大功率外部 MOSFET,以产生高达 20A 的输出电流。
      恒定频率电流模式架构允许在 250kHz 至 770kHz 范围内选择固定或可锁相(PLL)开关频率。通过使各级以180度相差工作,最大限度地降低了功率损耗和电源噪声。OPTI-LOOP补偿减小了瞬态响应,并可以在宽输出电容和 ESR 值范围内优化,这包括所有陶瓷输入和输出电容器。输出电流检测通过测量输出电感器 (DCR) 两端的电压降完成,以实现最高效率,或者通过采用一个可选的检测电阻器完成。在短路情况下,电流折返限制 MOSFET 的热量。此外,LTC3865/-1 具有可调软启动或跟踪,以控制输出电压启动特性。LTC3865/-1 能提供高达 99% 的占空比,具有非常低的压差电压

一、LTC3865-1功能和特点:   

      两引脚可选(9个设定值)输出电压设定,选择范围为0.6V至5.0V

      节省4个精准反馈电阻器

      同步整流实现高达95%的效率

      4.5V至38V的宽输入电压范围

     在-40?C至+125?C的温度范围内具±1%的总DC输出电压准确度

    双输出、180?反相控制器降低噪声和输入电容

    DCR或RSENSE电流检测选项

    强大的内置N沟道MOSFET驱动器

    250kHz至770kHz的可锁相固定工作频率

    可编程软启动或跟踪

    可调电流限制

    电流模式控制


    电源良好信号


二、LTC3865-1引脚功能


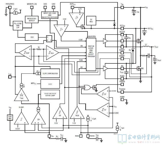
三、LTC3865-1内部方框图


四、LTC3865-1典型应用电路