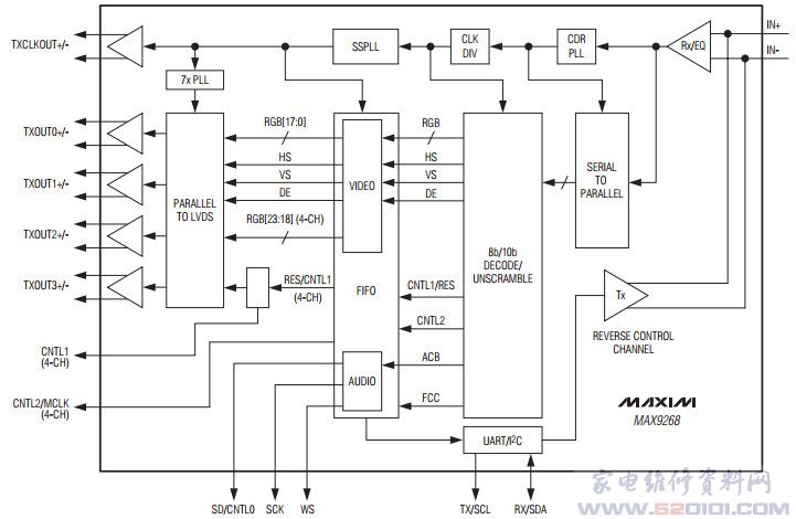
概述:MAX9268采用7×7mm、48引脚TQFP封装,工作在-40℃至+105℃温度范围。工作于3.3V核电源,具有独立的电源输入,用于连接1.8V至3.3V逻辑电平。具有LVDS系统接口,采用1.5米屏蔽双绞线对(STP)电缆数据速率可达2.5Gbps,最大时钟速率为104MHz (3路LVDS)或78MHz (4路LVDS),支持带24位色彩的WXGA (1280 × 800)。
概述:MAX9268采用7×7mm、48引脚TQFP封装,工作在-40℃至+105℃温度范围。工作于3.3V核电源,具有独立的电源输入,用于连接1.8V至3.3V逻辑电平。具有LVDS系统接口,采用1.5米屏蔽双绞线对(STP)电缆数据速率可达2.5Gbps,最大时钟速率为104MHz (3路LVDS)或78MHz (4路LVDS),支持带24位色彩的WXGA (1280 × 800)。
网友评论