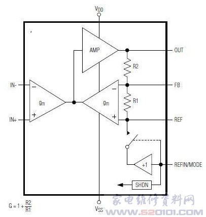
概述:MAX4209采用3mm×5mmμMAX8脚封装,采用2.85V至5.5V单电源供电,仅消耗750&mICro;A静态电流(内部缓冲器关断),关断模式下仅消耗1.4µA。REF接地、REFIN/MODE接VSS时,还可采用±2.5V双电源供电.输入失调电压在+25℃时为20μV (最大值),在-40℃至+125℃温度范围内为40μV (最大值)。为超低失调/漂移仪表放大器,具有高精度、低功耗、满摆幅输出、高增益带宽积等特性,并具有带缓冲的REFIN/MODE输入。由于采用频谱扩展和自稳零技术,可以连续测量并校准输入失调,消除时间漂移、温度漂移、1/f噪声的影响。具有750kHz的增益带宽积,提供精度为±0.03% (典型值)的100V/V固定增益。带有基准输入(REF),用于建立输出偏置,允许在单电源供电时处理双极性信号。在这两款器件中,REFIN/MODE是高精度单位增益缓冲器输入,用于设置建立输出偏置的REF电压。内部REF缓冲器可通过简单的电阻分压器设置基准或使用ADC基准,没有任何负载误差。



网友评论