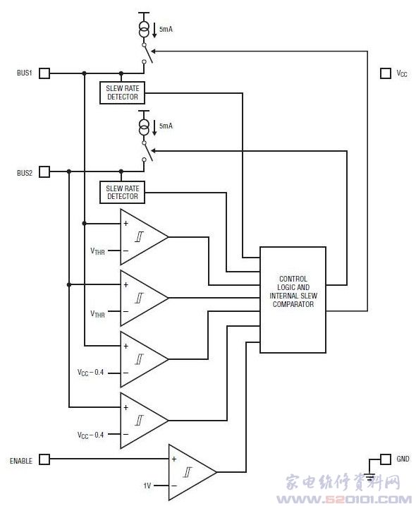
概述:LTC4311采用2mm x 2mm DFN和SC70 封装。用于以高达400kHz总线速度运行的重负载I2C/SMBus系统。能用低至1.6V和高达5.5V的电源电压工作。它提供一个ENABLE引脚,用于低于5uA的低电流停机,在停机或断电时不给总线加载。LTC4311自动检测总线空闲状态,在备用模式时将电源电流降至仅为26uA。为了实现更高的可靠性,其引脚可承受±8kV 人体模型ESD而不被损坏。
一、LTC4311功能和特性
·改善I2C/SMBus上升跃变时间
·I2C/SMBus上有多个器件时确保数据完整性
·低压工作:1.6V至5.5V
·改善低态噪声容限
·以高达400kHz的速度工作
·自动检测低功率备用模式
·低(<5uA)电源电流停机
·在停机或断电时不给总线加载
·强大的转换受限上拉电流(5mA)
·更严格的总线闭锁门限



网友评论