用手机访问
概述:MAX8821提供微型、4mmx4mmx0.8mm、28引脚TQFN封装,工作在完整的-40℃至+85℃扩展级温度范围。具有70μA的低静态电流,为敏感电路提供45μV的低噪声和60dB的低PSRR。
一、MAX8821引脚功能
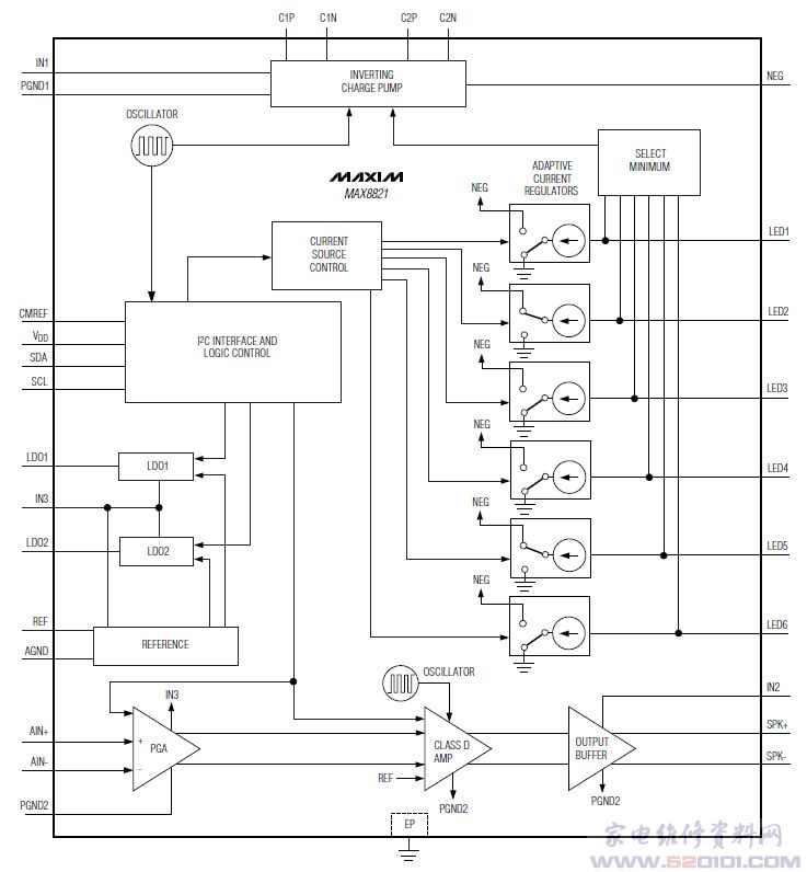
二、MAX8821内部方框图
三、MAX8821典型应用电路
网友评论