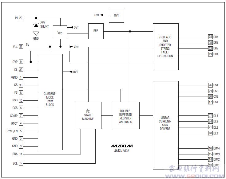
概述:MAX16826提供增强散热的5mm x 5mm、32引脚TQFN封装。提供可编程开关频率(100kHz至1MHz),能够降低汽车显示屏等噪声敏感应用中的电磁干扰(EMI)。另外,每个吸电流驱动器均具有直接PWM输入,可独立控制每通道LED亮度。
概述:MAX16826提供增强散热的5mm x 5mm、32引脚TQFN封装。提供可编程开关频率(100kHz至1MHz),能够降低汽车显示屏等噪声敏感应用中的电磁干扰(EMI)。另外,每个吸电流驱动器均具有直接PWM输入,可独立控制每通道LED亮度。
网友评论