概述: LT1681采用20引脚SO封装,采用电流工作模式,其工作频率为250kHz,它具有75V的高端驱动器、输入欠压/过压保护、同步栅极输出以及热关机引脚等,可将36V至72V的电信背板电源转换为3.3V或5V的60W输出。
一、LT1681引脚功能
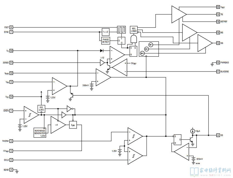
二、LT1681内部方框图
三、LT1681典型应用电路
四、LT1681电气参数
概述: LT1681采用20引脚SO封装,采用电流工作模式,其工作频率为250kHz,它具有75V的高端驱动器、输入欠压/过压保护、同步栅极输出以及热关机引脚等,可将36V至72V的电信背板电源转换为3.3V或5V的60W输出。
一、LT1681引脚功能
二、LT1681内部方框图
三、LT1681典型应用电路
四、LT1681电气参数
网友评论