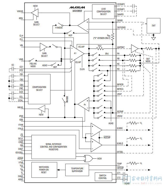
概述:MAX9959采用100引脚TQFP封装。为自动测试设备(ATE)或其它仪器提供器件电源(DPS)。具有多个输入控制电压,支持输出电压的独立设置,可设置电压或电流的最大和最小值(最小正极性或最大负极性)。当负载电流处于两个设置门限之间时,MAX9959是电压源;达到设置电流门限后,将平稳地转换成精密的电流源。输出具有两个独立的可调电压嵌位电路,限制处于外部电平之间的负极性和正极性输出电压。 

它能够提供25V电压和高达±800mA的电流。DPS支持外部缓冲,以源出或吸收较大电流。可将多个MAX9959并行配置,共用负载,从而输出更大的电流,提高灵活性。可在多种负载条件下工作。可编程能力允许优化建立时间、上/下冲以及稳定性。内部可配置的干扰抑制电路在发生范围变化时减小了输出干扰。
在800mA负载下提供1mV负载调节。 MAX9959D具有内部300kΩ检测电阻(RFS),位于RCOMF引脚和SENSE引脚之间;MAX9959F没有该检测电阻。


一、MAX9959功能和特点

      ●25V输出电压范围
      ●可编程电流和电压
      ●可编程电流范围
        ±200uA
        ±2mA
        ±20mA
        ±800mA
    ●800mA时具有1mV负载调节
    ●外部缓冲提供更大电流
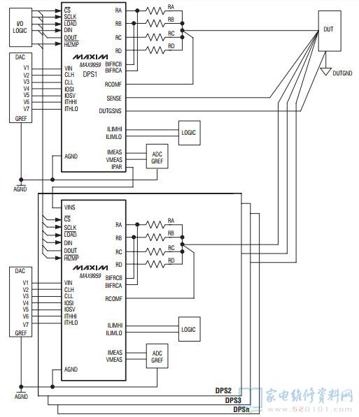
    ●多个器件并联提供更大电流
    ●可编程的增益支持多种DAC
    ●被测设备(DUT)地检测
    ●可设置补偿多种负载
    ●集成go/no-go比较器
    ●IDDQ测试模式
    ●范围变化干扰抑制
    ●紧凑(14mm x 14mm)封装
    ●3线串行接口

   ●过热报警标志和热关断功能


二、MAX9959引脚功能


二、MAX9959内部方框图


三、MAX9959典型应用电路


四、MAX9959电气参数