概述:LT5575采用带裸露衬垫的16引脚QFN4mmx4mm封装。使用单5V 电源工作,消耗 132mA 静态电源电流。具有 800MHz 至 2.7GHz 的宽工作频率范围,因此用一个器件就覆盖了所有蜂窝和 3G 基础设施、WiMAX 和 RFID 系统的频带。该器件能够将射频信号直接转换成 DC 或低频基带信号,从而简化了接收器设计、减少了组件数并允许使用较低成本的低频组件。在 900MHz 时具有卓越的 28dBm IIP3 和 54.1dBm IIP2,在 1.9GHz 时的 IIP3 为 22.6dBm,IIP2 为 60dBm。此外,这个器件的转换增益为 3dB,加之 12.7dB 的 DSB 噪声指数,因此该器件可实现卓越的接收器动态范围。其 I(同相)和 Q (正交相位)输出的典型幅度和相位匹配范围分别为 0.04dB 和 0.6 度,从而实现了前所未有的解调准确度。

能够支持覆盖 850MHz GSM/EDGE 频带和 1.9GHz/2.1GHz 3G 无线业务(包括 CDMA2000、WCDMA、UMTS 和 TD-SCDMA)的多频带基站。该器件非常适用于单载波微基站和皮基站,低成本架构是这类基站的关键要求。LT5575 的性能也非常适合 2.6GHz WiMAX 基站,还适合在微波无线电链路或卫星接收器中用作中频解调器。此外,在 900MHz 时的高 13.2dBm P1dB(1dB 压缩点)性能使其成为高性能 RFID 阅读器的卓越解调器。

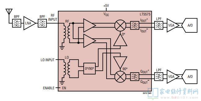
集成了两个相互匹配的高线性度混频器。它们由一个具片内精准 0° 和 90° 移相器的低噪声、缓冲 LO(本机振荡器)进行正交驱动。两个混频器产生准确的 I 和 Q 解调输出,能够支持从 DC 直到 490MHz 的基带带宽。射频和 LO 输入端都具有集成的片上变压器,实现了 50Ω 的宽带匹配和单端工作。 

一、LT5575功能和特点:

      输入频率范围:0.8GHz至2.7GHz*

      50Ω单端RF和LO端口

      高IIP3:28dBm(在900MHz),22.6dBm(在1.9GHz)

       高IIP2:54.1dBm(在900MHz),60dBm(在1.9GHz)

       输入P1dB:13.2dBm(在900MHz)

      I/Q增益失配:0.04dB(典型值)

      I/Q相位失配:0.4°(典型值)

       低输出DC偏移

       噪声系数:12.8dB(在900MHz),12.7dB(在1.9GHz)

      转换增益:3dB(在900MHz),4.2dB(在1.9GHz)

      极少的外部组件

      停机模式


二、LT5575引脚功能


三、LT5575内部方框图


四、LT5575典型应用电路