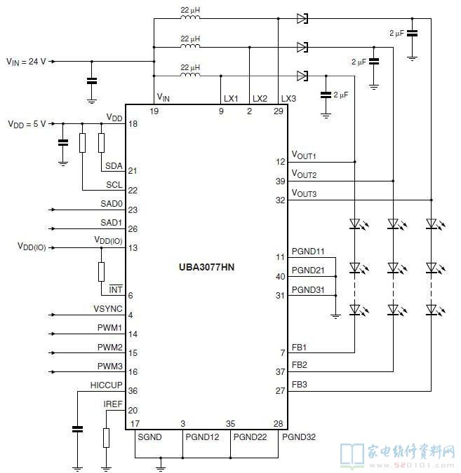
概述:UBA3077采用HVQFN40封装,是一款用于LCD显示器背光的3通道LED驱动器。工作电压范围为10V至42V,最多可驱动三个20一组的LED灯串,每个灯串的额定电流最高可达150mA。可以自控操作或通过400kHz I2C总线控制。

一、UBA3077功能和特性
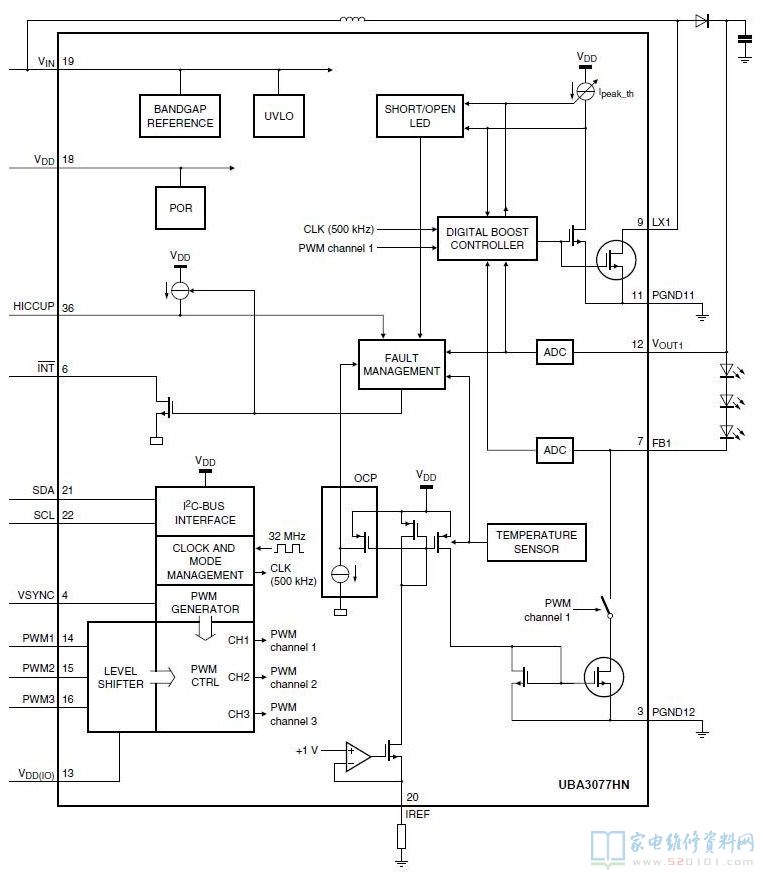
· 采用CMOS50 PM(电源管理)工艺,专为数字环境中的高电压集成而设计,将出色的电源特性与复杂的数字处理技术完美融合,并可提供一流的性能
· 由三个独立通道构成,各自分别集成升压转换器和电流源,使应用设计不受LED灯串电压不匹配导致的额外散热的影响

· 为升压转换器和电流源采用集成MOSFET,可帮助设计人员减小应用尺寸、降低外部元件成本

· 拥有高线性和精确的调光功能,可在低于1%光输出的条件下实现深度调光,有利于改善画质

· 为每个通道搭配了独立的PWM(脉冲宽度调制)控制,拥有极高的效率和精确的光控能力

· 14位PWM调光(由系统生成PWM或内部生成)最高可达24kHz(占空比:0.1%至100%)

· 工作电压范围为10V至42V,最多可驱动三个20一组的LED灯串,每个灯串的额定电流最高可达150mA

· 可以自控操作或通过400kHz I2C总线控制

· 采用HVQFN40封装,可通过PCB实现良好的散热


二、UBA3077引脚功能


三、UBA3077内部方框图


四、UBA3077典型应用电路