概述:MAX9951提供64引脚、10mmx10mm,0.5mm厚的TQFP封装。根据不同的电源电压(VCC和VEE),其加载或测量电压范围为-2V至+7V或-7V至+13V。器件可接受最大+30V (VCC至VEE)的电源电压,以及满电流情况下受测器件(DUT) 20V的电压摆幅。可加载或测量高达±64mA的电流,满量程范围最低±2&mICro;A。集成支持电路便于使用外部缓冲放大器处理大于±64mA的电流。
MSR_输出与所测电压或电流成正比的电压。外部设置电压阈值的集成比较器检测电压和电流。MSR_和比较器输出可设为高阻状态。独立的FORCE和SENSE连接在(VEE - 0.3V)至(VCC + 0.3V)的电压范围内提供短路保护。FORCE输出还具有低泄漏、高阻状态。
集成电压钳位电路可将加载输出限制在外部设置值。加载电流或测量电流电压偏置在-0.2V至+4.4V (IOS)之间可调。此特性便于将控制或测量信号调节到外部DAC或ADC范围中心。

MAX9951D在FORCE_和SENSE_之间具有一个集成的10kΩ加载感应电阻。MAX9951F不具有内部加载感应电阻。


一、MAX9951功能和特性

●加载电压/测量电流(FVMI)
●加载电流/测量电压(FIMV)
●加载电压/测量电压(FVMV)
●加载电流/测量电流(FIMI)
●无加载/测量电压(FNMV)
●无加载/测量电流(FNMI,仅E)
●端接/测量电流
●端接/测量电压
●5种可编程电流范围
±2uA
±20uA
±200uA
±2mA
±64mA
●-2V至+7V或-7V至+13V输入电压范围
●加载电流/测量电流电压偏置(IOS)可调
●加载输出电压钳位可设
●低泄漏、高阻抗测量和加载状态
●3线串行接口
●每PMU低至6mA(最大值)静态电流


二、MAX9951引脚功能


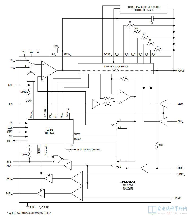
三、MAX9951内部方框图


四、MAX9951电气参数