概述:MAX17007A采用节省空间的28引脚、4mmx4mm薄型QFN封装,底部带裸焊盘。MAX17007A是双通道QuICk-PWM™降压控制器,为电池供电系统提供通用电源。双通道开关电源(SMPS)还可组合工作在两相单输出模式。固定导通时间Quick-PWM模式提供快速负载瞬态响应,轻松实现宽输入/输出(I/O)电压比条件下的稳压,同时保持相对固定的开关频率。通过外部电阻可以调节开关频率,调节范围200kHz至600kHz。差分输出电流检测架构允许利用检流电阻实现高精度限流,或利用电感的等效直流电阻(DCR)实现低功耗无损检测,可保持0.7%的输出精度。过压、欠压保护以及精确的用户可选限流(15mV、30mV、45mV和60mV)确保系统可靠工作。
      SMPS输出可工作在跳频模式或超声模式,以提高轻载效率。跳脉冲模式下保持25kHz的最小开关频率,而超声模式下能够消除可闻噪声。
      通过改变REFIN1引脚的电压动态调节SMPS1的输出电压。该器件包括0.5%精度的基准,用于设置REFIN1电压。外部5V偏置电源为内部电路及其栅极驱动器供电。
      独立的通/断控制具有经过调理的逻辑门限,电源就绪漏极开路输出可提供灵活的系统配置。为了抑制启动时的浪涌电流,SMPS1的CSL1内部电压以1.3mV/µs的斜率从零缓慢上升至最终电压,SMPS2的FB2内部电压则以0.65mV/µs的斜率从零缓慢上升至最终电压。为了避免在断电时输出振铃使电压达到地电位以下,内部电压以各自相同的斜率从稳压值缓慢跌落至零。内部集成自举开关,无需外部自举二极管。

一、MAX17007A功能和特点:     
        ●具有快速瞬态响应的双通道Quick-PWM
        ●REFIN1自动动态检测和PGOOD1/故障屏蔽
        ●固定和可调输出电压
       ●在整个电源电压和负载变化范围内,输出精度保持在±0.7%
        ●OUT1:0至2V动态输出或预设为1.05V
       ●OUT2:0.7V至2V或预设为1.5V
        ●电阻可编程开关频率
        ●集成BST开关
        ●差分电流检测输入
        ●低成本DCR检测或高精度检流电阻检测
        ●内部电流检测补偿
       ●可组合的工作模式支持大电流动态输出
        ●可选择强制PWM、跳脉冲或超声工作模式
       ●最大额定输入电压26V
        ●独立的使能输入
        ●独立的电源就绪输出
       ●过压保护(仅MAX17007A)
        ●欠压/热保护

       ●软启动和软关断


二、MAX17007A引脚功能


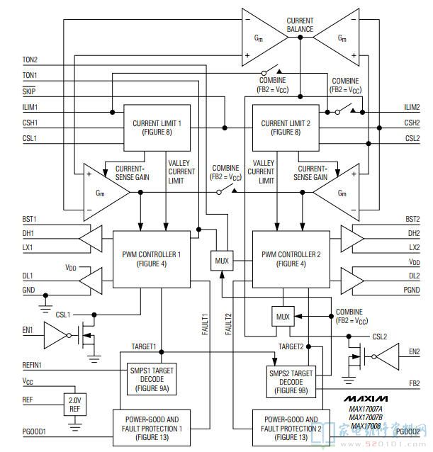
三、MAX17007A内部方框图


四、MAX17007A电气参数