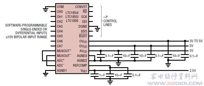
概述:采用引脚兼容SSOP-28封装。是8通道,低电源,12-/14-位,100ksps, 摸拟数字转换器(ADCs)。ADCs操作来自于一个单一5V电源,8通道多路转接器能被设计为单端输入或一对差分输入或两者的结合。另外,在发生错误的时候所有的通道在±30V内起到保护的作用。在任何通道上一个错误的条件都不会影响所选通道的转化结果。直流规格±1.5LSB INL。为了5μs最大限度转换时间,内部时钟是平衡的。并且采样率被保证在100ksps。 一个单独的转换开始输入,数据准备型号减弱与FIFOs, DSPs 和微处理器的联系。
一、LTC1855功能和特点:
单5V电源
具有±30V故障保护的8通道多路复用器
±10V双极性输入范围:单端或差分
100ksps采样率
功耗:100ksps时为40mW、打盹模式时为27.5mW、休眠模式时为40uW
±1.5 LSB(最大值)INL、83dB SINAD 内部2.5V基准
转换之间自动停机可降低功耗
真正差分输入抑制共模噪声
SPI兼容串行I/O



网友评论