概述:LTC4555采用扁平16引腳3mmx3mmQFN封装。

一、LTC4555功能和特点:
      SIM电源:1.8V/3V(在50mA)

      输入电压范围:3V至6V

      控制器电压范围:1.2V至4.4V

      在所有的SIM触针上均提供了14kVESD防护

      符合所有的ETSI、IMT-2000和ISO7816SIM/智能卡接口要求

      电平变换器至1.8V或3V

      20μA工作电流

      逻辑电路控制型停机(ISD<1μA)


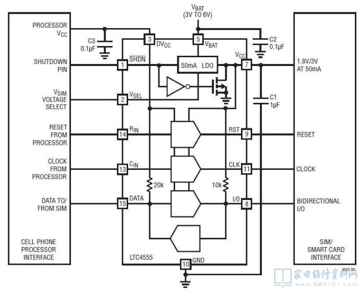
二、LTC4555引脚功能


三、LTC4555内部方框图


四、LTC4555典型应用电路