概述:LTC4310-1采用MS-10, DFN-10封装。为可热插拔的 I2C 隔离器,该器件提供两条 I2C 总线之间的双向通信,而两个 I2C 总线之间的地是相互隔离的。

      简化了 I2C 隔离,它通过对 SDA 和 SCL 信号编码并将其扩展到 4 个单向通道中,为通过隔离势垒发送做好准备,然后利用第二个 LTC4310 对其进行解码并重新组合,在完成所有这一切的同时还能保持 I2C 信号的完整性。允许利用一个以太网变压器来对 4 个数字发送和接收信号进行桥接,以在超过 1500VRMS 的电压差两端实现通信;或者,对于较低的电压差也可采用电容器来进行桥接。

适用于很多种隔离式应用,包括隔离式 I2C、SMBus 和 PMBus 接口、隔离式电源、正负轨通信以及以太网供电。除了提供 I2C 隔离,内置上升时间加速器还在 SCL 和 SDA 的上升沿提供强大的上拉电流,以满足 I2C 对较重负载总线的上升时间规格要求。当一块板卡在一根工作总线上进行插拔操作时,热插拔 (Hot SwapTM) 控制电路可防止发生数据损坏。如果某根总线被阻塞于低电平超过 30ms,则阻塞总线断接和恢复功能将尝试释放该板卡。具有热停机保护、一个指示器件正常工作的 READY 数字输出引脚、以及一个启用器件或将器件置于非常低停机电流模式的使能引脚。用于 100kHz 的系统。

一、LTC4310-1功能和特点:

    在两根隔离总线之间提供了双向I2C通信

    利用廉价的以太网变压器或电容器实现完全隔离

    低电压电平移位

    I2C最大工作频率:100kHz

    符合I2C规格的VOL、VIL

    ±5kV人体模型ESD保护

    上升时间加速器

    SDA、SCL热插拔

    非常低的停机电流

    阻塞总线断接和恢复

    热停机


二、LTC4310-1引脚功能


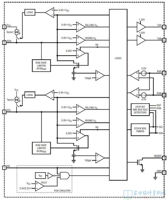
三、LTC4310-1内部方框图


四、LTC4310-1典型应用电路