用手机访问
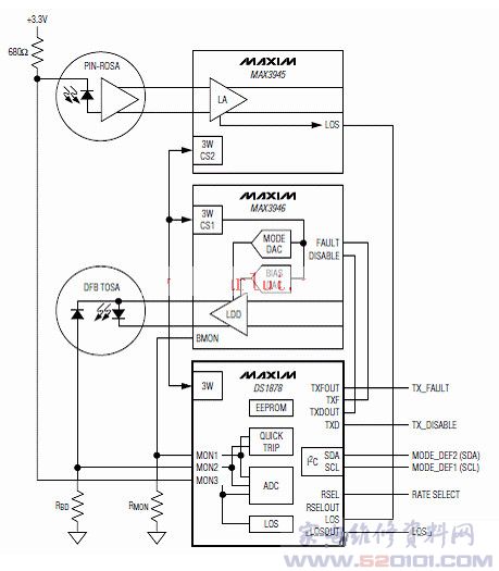
概述:采用带有裸焊盘的小尺寸、5mm x 5mm、28引脚TQFN封装, 工作电压为+2.85V 到+5.5V.。工作在-40°C至+95°C温度范围。持基于VCSEL, DFB和EML的解决方案。
一、DS1878内部方框图
网友评论