概述:IRU1010-18是一款低压差稳压芯片,稳压电压1.8V,输出电流1A。
一、IRU1010-18引脚功能
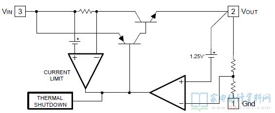
二、IRU1010-18内部方框图
三、IRU1010-18典型应用电路
概述:IRU1010-18是一款低压差稳压芯片,稳压电压1.8V,输出电流1A。
一、IRU1010-18引脚功能
二、IRU1010-18内部方框图
三、IRU1010-18典型应用电路
网友评论