概述:IRU1010 采用SOT-223封装。稳定电压2.85V ,输出电流1A。
一、IRU1010引脚功能
二、IRU1010内部方框图
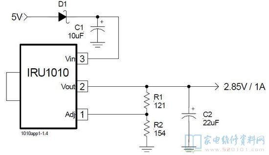
三、IRU1010典型应用电路
概述:IRU1010 采用SOT-223封装。稳定电压2.85V ,输出电流1A。
一、IRU1010引脚功能
二、IRU1010内部方框图
三、IRU1010典型应用电路
网友评论