概述:MAX14803A采用100焊球晶片级封装(WLP)封装,所有器件都工作于-40°C至+85°C商业级温度范围。HVCMOS工艺,提供16个高压低电荷注入SPST开关,由数字接口控制。数据移入内部16位移位寄存器,并通过带使能和清除输入的可编程锁存器保持数据。上电复位功能确保所有开关在上电时为打开状态。

      采用宽范围的高电压供电,包括:VPP/VNN = +100V/-100V、+200V/0V或+40V/-160V。数字接口工作于独立的+2.7V至+5.5V VDD电源。数字输入DIN、CLK、低电平有效的LE以及CLR采用VDD电源电压供电。每个切换端具有集成的35kΩ泄漏电阻,用于对容性负载进行放电。


一、MAX14803A功能和特点:   

●集成的过压保护

●20MHz串行接口(5V)

●HVCMOS工艺可提供高性能

●独立编程的高压模拟开关

●极低的5uA(典型值)静态电流

●直流至20MHz低压模拟信号频率范围

●2.7V至5.5V逻辑电源电压

●低电荷注入、低电容RL开关

●在5MHz(RL=50Ω)下,关断隔离为-77dB(典型值)

●串行接口可实现菊链连接

●灵活的高压电源(VPP-VNN=250V)


二、MAX14803A引脚功能


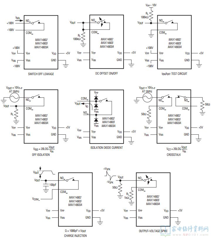
三、MAX14803A测试应用电路