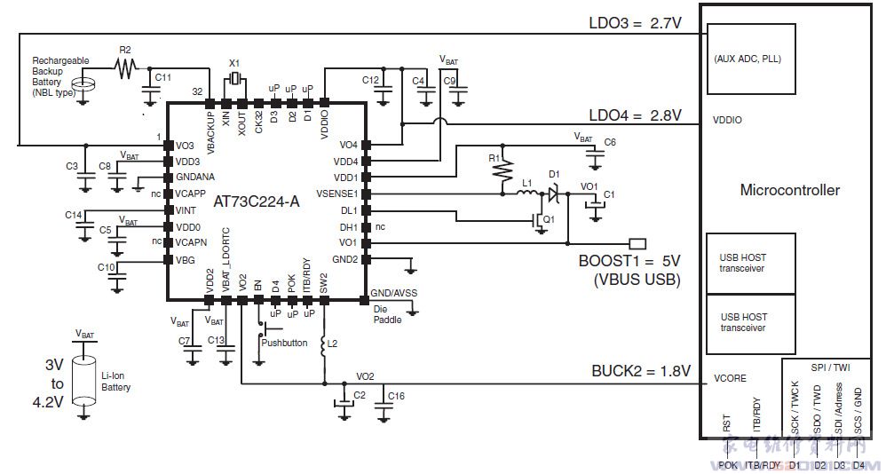
概述:AT73C224采用5x5mm的32管脚QFN封装,具有4个电源通道,当LED串的温度超出指定温度值时可降低LED电流。对于MCU内核和新一代低电压存储器,由于采用微处理器控制,它采用了一个逐步降压DC-DC转换器提供0.9V到3.4V的可编程输出电压和500mA输出电流。 还集成了一个逐步升压 DC-DC转换器,提供5.2V或更高的输出电压,并由外部FET设置可高达1A的输出电流,这可以为USB主机、显示模块或硬盘驱动器供电。该产品还具有两个低压降线性调节器 (linear regulator,增量为512kbps。 LDO),提供1.3V到 3.3V的可编程输出电压,而可编程输出电流能够为通用接口供电,在“平滑模式”(SmootherMode)下电流高达200mA;采用“射频模式”(RFMode)时敏感的RF部分的电流可高达100mA。


网友评论