用手机访问
概述:MAX5098A提供增强散热的5mmx5mm、32引脚TQFN封装,带有裸焊盘,工作在-40℃至+125℃汽车级温度范围。提供2A和1A输出电流,工作电压可低至4.5V,具有可编程的200kHz至2.2MHz宽开关频率范围。
一、MAX5098A引脚功能
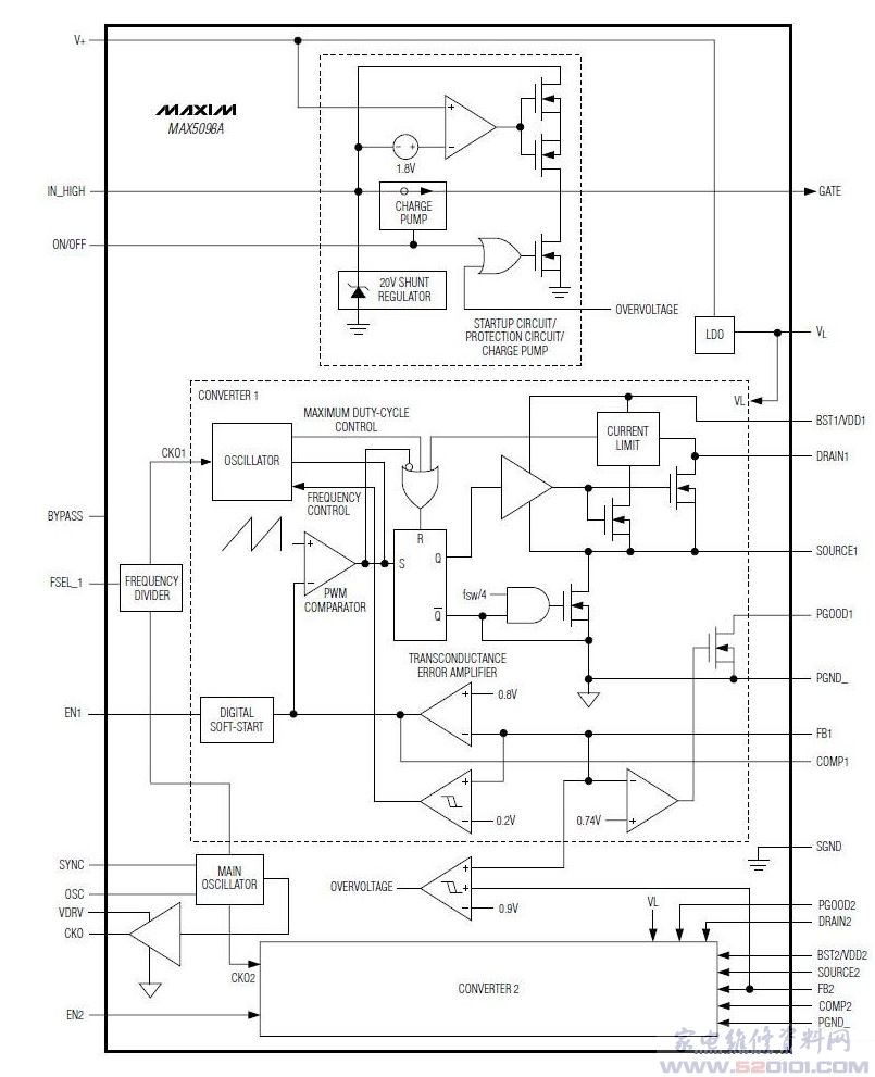
二、MAX5098A内部方框图
三、MAX5098A典型应用电路
网友评论