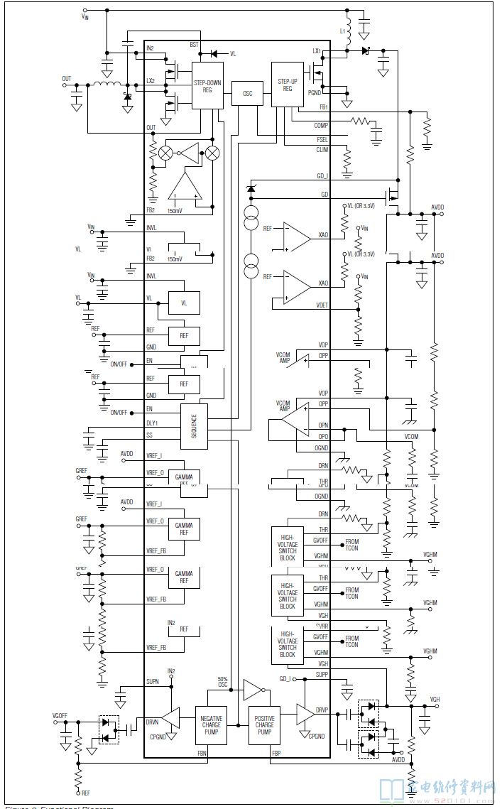
概述:MAX17126B为晶体管液晶显示器(TFT LCD)电视面板从受管制的12V输入操作。它们包括一个降压和升压调节器,一个正的和一个负电荷泵,一个运算放大器,一个高精确度高压伽玛参考和高压开关控制块。该芯片从8V到16.5 V的输入电压得到了优化一个液晶电视面板直接从12V供应。逐步升级和下阶切换管理功能内功率MOSFETs和高频操作允许使用小电感器和电容,产生了一个紧凑的解决方案。升压监管机制提供TFT源驱动电源电压,同时降压调节器为系统提供了逻辑供应。此外,该芯片集成了一个可以驱动的控制块一个外部的p通道MOSFET源驱动程序。


一、MAX17126B引脚功能

管脚  引脚名称 功能
 1   VREF_I  伽玛参考输入
 2   VOP  运算放大器电源
 3   OGND  运算放大器电源地
 4   OPP  运算放大器同相输入
 5   OPN  运算放大器反相输入
 6   OPO  运算放大器输出
 7   XAO  电压检测器输出
 8   GVOFF  高压开关控制块时序控制输入。有关详细信息,请参见高压开关控制部分。
 9   EN  启用输入。 Enable 为高电平,打开升压转换器和正电荷泵。
 10   FB2  降压调节器反馈输入。 FB2 连接到 GND 以选择降压转换器的 3.3V 固定模式。对于可调模式,将 FB2 连接到降压稳压器输出 (OUT) 和 GND 之间的电阻分压器的中心,以设置降压稳压器输出电压。将电阻分压器放置在 FB2 的 5mm 范围内。
 11   OUT  降压稳压器输出电压检测。将 OUT 连接到降压稳压器输出。
 12   N.C.  未连接
 13, 14   LX2  降压稳压器开关节点。 LX2 是连接在 IN2 和 LX2 之间的内部 n 沟道 MOSFET 的源极。将电感器和肖特基钳位二极管连接到两个 LX2 引脚,并尽量减少走线面积以实现最低 EMI。
 15   BST  降压稳压器自举电容连接。高端栅极驱动器的电源。在 BST 和 LX2 之间连接一个 0.1FF 陶瓷电容。
 16, 17   IN2  降压稳压器电源输入。连接在 IN2 和 LX2 之间的内部 n 沟道 MOSFET 的漏极。
 18, 44   GND  模拟地
 19   VDET  电压检测器输入。将 VDET 连接到输入电压和 GND 之间的电阻分压器的中心,以设置 XAO 的触发点。
 20   INVL  内部 5V 线性稳压器和启动电路电源。旁路 VINVL到 GND 与 0.22FF 接近 IC。
 21   VL  5V 内部线性稳压器输出。将 VL 旁路至 GND,最小为 1FF。为内部 MOSFET 驱动电路、PWM 控制器、电荷泵稳压器、逻辑和参考及其他模拟电路提供电源。在启用所有开关稳压器时提供 25mA 负载电流。只要输入电压足够高,VL 就会激活。
 22   FSEL  频率选择引脚。将 FSEL 连接到 VL 或 INVL 或断开 FSEL 引脚以进行 750kHz 操作。连接到 GND 以进行 500kHz 操作。
 23   CLIM  升压限流设置输入。将一个电阻从 CLIM 连接到 GND,以设置升压转换器的电流限制。
 24   SS  软启动输入。在 SS 和 GND 之间连接一个电容器,以设置升压转换器的软启动时间。A 5FA 电流源开始为 C 充电党卫军当GD完成时。有关说明,请参见升压稳压器外部 pMOS 通路开关部分。当 EN 为低电平或 VL 低于其 UVLO 阈值时,SS 通过 1kI 电阻在内部被拉至 GND。
 25, 26   LX1  升压稳压器功率-MOSFET n 沟道漏极和开关节点。将电感器和肖特基钳位二极管连接到两个 LX1 引脚,并最大限度地减少走线面积以实现最低 EMI。
 27, 28   PGND  升压稳压器电源地
 29   GD_I  升压稳压器外部 pMOS 通过开关源输入。连接到升压调节器肖特基二极管的阴极。
 30   GD  升压稳压器外部 pMOS 通开关栅极输入。当 EN 为高电平时,一个 10FA P 20% 的电流源下拉外部 pFET 的栅极。
 31   FB1  升压调节器反馈输入。将 FB1 连接到升压调节器输出和 GND 之间的电阻分压器的中心,以设置升压调节器输出电压。将电阻分压器放置在 FB1 的 5mm 范围内。
 32   COMP  升压调节器误差放大器的补偿引脚。将 COMP 与地之间的串联电阻和电容连接起来。
 33   THR  VGHM 低电平调节设定点输入。将 THR 连接到 AVDD 和 GND 之间的电阻分压器的中心,以设置 VGHM 下降调节电平。实际电平为 10 x V心电图.有关详细信息,请参阅开关控制部分。
 34   SUPP  正电荷泵驱动电源。连接到升压稳压器 (AVDD) 的输出,并通过一个 0.1FF 电容旁路到 CPGND。 SUPP 在内部连接到 GD_I。
 35   CPGND  电荷泵和降压电源地
 36   DRVP  正电荷泵驱动器输出。将 DRVP 连接到正电荷泵飞跨电容器。
 37   DLY1  高压开关阵列延迟输入。在 DLY1 和 GND 之间连接一个电容器,以设置正电荷泵完成其软启动与该高压开关阵列启动之间的延迟时间。 A 10FA 电流源对 C 充电DLY1.当 EN 为低电平或 VL 低于其 UVLO 阈值时,DLY1 通过 50I 电阻在内部被拉至 GND。
 38   FBP  正电荷泵稳压器反馈输入。将 FBP 连接到正电荷泵稳压器输出和 GND 之间的电阻分压器的中心,以设置正电荷泵稳压器输出电压。将电阻分压器放置在 FBP 5mm 范围内。
 39   VGH  切换输入。 VGH 和 VGHM 之间的内部高压 p 沟道 MOSFET 的源极。
 40   VGHM  内部高压 MOSFET 开关公共端。 VGHM 是高压开关控制模块的输出。
 41   DRN  开关量输出。连接到 VGHM 的内部高压 p 沟道 MOSFET 的漏极。
 42   SUPN  负电荷泵驱动电源。使用 0.1FF 电容旁路至 CPGND。 SUPN 在内部连接到 IN2。
 43   DRVN  负电荷泵驱动器输出。将 DRVN 连接到负电荷泵飞跨电容器。
 45   FBN  负电荷泵稳压器反馈输入。将 FBN 连接到负输出和 REF 之间的电阻分压器的中心,以设置负电荷泵稳压器输出电压。将电阻分压器放置在距 FBN 5mm 的范围内。
 46   REF  参考输出。在 REF 和 GND 之间连接一个 0.22FF 电容。所有电源输出都被禁用,直到 REF 超过其 UVLO 阈值。
 47   VREF_FB  伽玛参考反馈输入。将 VREF_FB 连接到 VREF_O 和 GND 之间的电阻分压器的中心,以设置伽马参考输出电压。将电阻分压器放置在 VREF_FB 的 5mm 范围内。
 48   VREF_O  伽玛参考输出
 —   EP  外露焊盘。将 EP 连接到 GND,并将 EP 连接到铜平面或岛。最大化此铜平面或岛的面积以提高热性能。


二、MAX17126B内部方框图


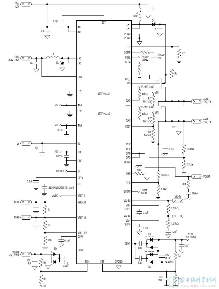
三、MAX17126B典型应用电路