概述:ST8024CDR采用28脚封装,该芯片够在主控制器与3V和5V智能卡之间进行电平转换,为智能卡提供高达80mA的电流,停电模式功耗为40nA,芯片提供±6KVESD保护(IEC)。
一、ST8024CDR引脚功能
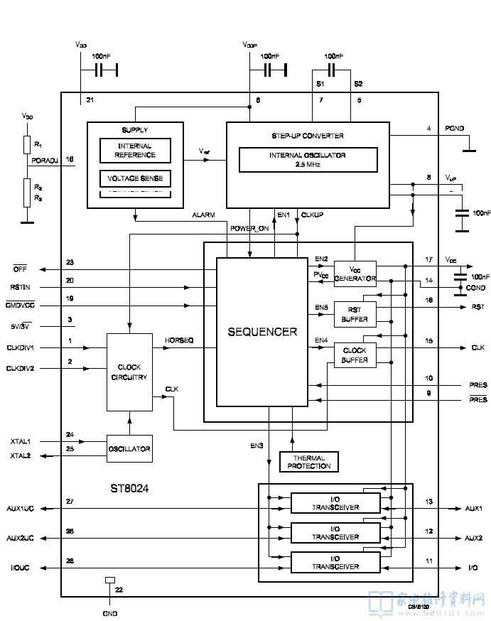
二、ST8024CDR内部方框图
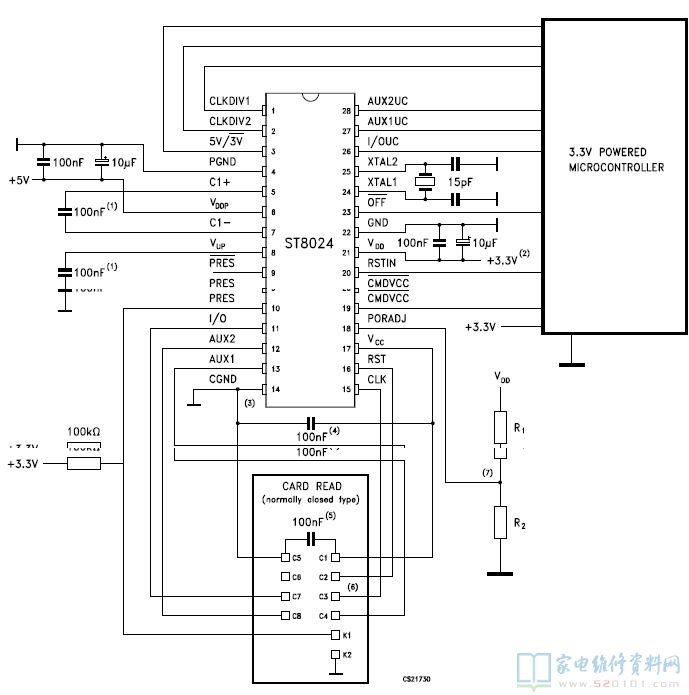
三、ST8024CDR典型应用电路
概述:ST8024CDR采用28脚封装,该芯片够在主控制器与3V和5V智能卡之间进行电平转换,为智能卡提供高达80mA的电流,停电模式功耗为40nA,芯片提供±6KVESD保护(IEC)。
一、ST8024CDR引脚功能
二、ST8024CDR内部方框图
三、ST8024CDR典型应用电路
网友评论