用手机访问
概述:LT6207采用SOT-23封装和贴处16脚封装,工作电压2.7V至12.6V,满幅电压输出的摆动小于60mV,适用于要求最大输出动态范围的3V运算。其视频性能参数包括:微分增益0.05%,微分相位0.08度,调节时间为20ns.
一、LT6207引脚功能
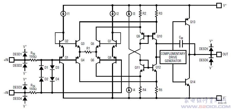
二、LT6207内部方框图
三、LT6207典型应用电路
网友评论