概述:MAX15005提供节省空间的16引脚TSSOP封装。所有器件都可工作于-40°C至+125°C汽车级温度范围。
一、MAX15005引脚功能
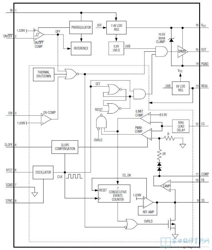
二、MAX15005内部方框图
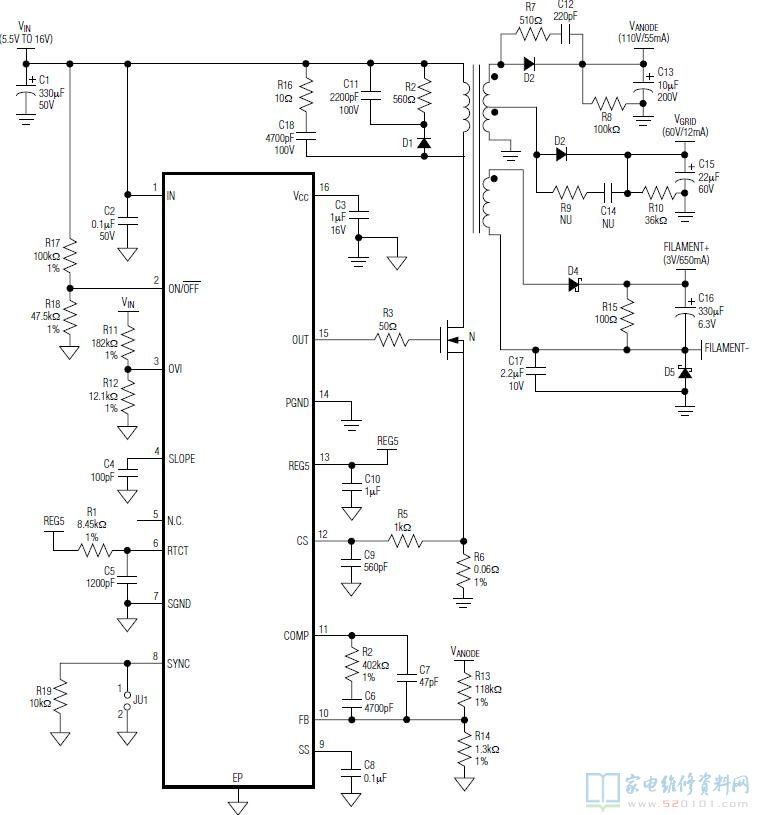
三、MAX15005典型应用电路
概述:MAX15005提供节省空间的16引脚TSSOP封装。所有器件都可工作于-40°C至+125°C汽车级温度范围。
一、MAX15005引脚功能
二、MAX15005内部方框图
三、MAX15005典型应用电路
网友评论