• 什么是容抗

    什么是容抗交流电是能够通过电容的,但是电容对交流电仍然有阻碍作用。电容对交流电的阻碍作用叫做容抗。电容量大,交流电容易通过电容,说明电容量大,电容的阻碍作用小;交流电的频率高,交流电也容易通过电容,说明频率高,电容的阻碍作用也小。实验证明,容抗和电容成反比,和频率也成反比。如果...

       2007-03-05

  • 什么是感抗

    什么是感抗交流电也可以通过线圈,但是线圈的电感对交流电有阻碍作用,这个阻碍叫做感抗。电感量大,交流电难以通过线圈,说明电感量大,电感的阻碍作用大;交流电的频率高,交流电也难以通过线圈,说明频率高,电感的阻碍作用也大。实验证明,感抗和电感成正比,和频率也成正比。如果感抗用XL表示,电感用L表...

       2007-03-05

  • 遥控器常见故障检修

    维修遥控器前应问清用户是什么故障现象,是个别按键不太灵还是全部失灵,是因失手摔坏还是无缘故损环。对个别按键不灵的处理较简单,多为接触不良,可打开遥控器外壳,将其不灵的按键的导电橡胶触点和对应的印刷板部位用酒精棉球清...

    佚名   2006-12-25

  • 电器检修的一般程序

    电器检修的一般程序 在检修各类电子电器设备的过程中,最花时间的当数故障的判断和找出失效元器件了,故障部位和失效元器件找到后,修理和更换元器件实际上并没有太大的困难。因此,掌握维修技术就要首先学会故障分析、判断方法,并掌握一些技巧。 电器检修的一般程序如下。1.了解故障:在着...

       2006-12-25

  • 一般电器常用的十六种检查法

    一般电器常用的十六种检查法一、 面板压缩法 利用电器面板、操作台或机外露出的各个开关、旋钮的作用做检查,大概判断故障发生的部位。如电视伴音时有时无,调音量旋钮,出现“喀拉”声同时伴音时有时无,由此可知音量电位器接触不良。二、 直观检查法 用眼看、手摸、耳听、鼻闻等手段检查和...

       2006-12-25

  • 互补管脉冲电路

    互补管脉冲电路 通常的双管脉冲电路,总是一只管导通,另一只管截止。但是互补管脉冲电路不同,它具有如下特点: (1)两管同时导通或同时截止。...

       2006-12-25

  • 锯齿波电路

    锯齿波电路 图1是(a)是恒流源锯齿波电路,BG1是开关管,由输入矩形脉冲控制其饱和与截止,BG2是共基恒流管,因此,当BG1截止时,BG2以恒定电流i...

       2006-12-25

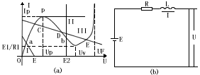
  • 隧道二极管脉冲电路

    隧道二极管脉冲电路 由于隧道二极管的脉冲电路,结构简单,变化速度快,功耗小,因此在高速脉冲技术中得到广泛的应用,可以用隧道二极管构成双稳电路,单稳电路,...

       2006-12-25

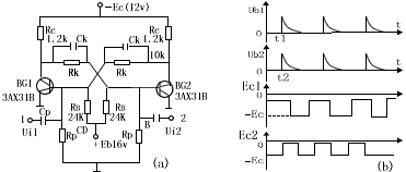
  • 间歇振荡电路

    间歇振荡电路 一、自激间歇振荡电路 图一(a)为自激间歇振荡电路,当电路接通电源时,(t=to),电流经变压器初级流向集电集,产生了感...

       2006-12-25

  • 射极耦合双稳态电路

    射极耦合双稳态电路 一、工作原理 图一为射极耦合电路。它也是由两级反相器组成的正反馈电路,第一级到第二级采用集基耦合,第二级到第一级是...

       2006-12-25

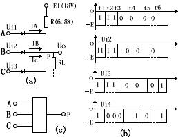
  • 门电路

    “ 门”是这样的一种电路:它规定各个输入信号之间满足某种逻辑关系时,才有信号输出,通常有下列三种门电路:与门、或门、非门(反相器)。从逻辑关系看,门电路的输入端或输出端只有两种状态,无信号以“0”表示,有信号以“1”表示。也可以这样规定...

       2006-12-25

  • 双稳态电路

    双稳态电路 一、工作原理 图一为双稳态电路,它是由两级反相器组成的正反馈电路,有两个稳定状态,或者是BG1导通、BG2截止;或...

       2006-12-25

  • 微分与积分电路

    一、微分电路 输出信号与输入信号的数分成正比的电路,称为微分电路。 原理:从图一得:Uo=Ric=RC(duc/dt),因Ui=Uc+Uo,当,t=to时,Uc=0,所以Uo=Uio随后C充电,因RC≤Tk,充电很快,可以认为Uc≈Ui,则有: Uo=RC(duc/dt)=R...

       2006-12-25

  • DT-890B型数字表开机后无显示

    通常是电池电量不足或电池引线断开、电源开关接触不良造成。TSC7106或液晶显示器损坏也会出现无显示。若开机后显示慢慢消失,说明在电源回路中有短路现象,造成电压跌落,原因大多是电源滤波电容严重漏电所致。若显示小数点及低电压指示符异常,应重点检查液晶显示...

       2006-12-16

  • DT-890B型数字表交流电压档的故障

    原因多为IC3损坏,隔直电容C9、C7脱焊,D5、D4损坏,C11严重漏电等。如果各档显示值均误差很大,说明RP2触头移位或松动。应将仪表置于交流200mV档,输入40~200Hz、100mV(有效值)正弦电压,然后调整RP2使显示值为100mV,最后...

       2006-12-16

  • DT-890B型数字表不能测量直流电压

    检查分压电阻R40~R45是否开路、印制板间引线或插针断开、量程转换开关接触不良等。若所有档测量误差明显增大,可能是基准电压不准造成,需重新调整RP1,使VREF为100.0mV;也可能是R40~R45阻值改变,影响了分压比。...

       2006-12-16

  • DT-890B万用表电阻档的损坏

    电阻档的损坏通常是因误测220V市电而造成。重点检查保护元件PTC、T4及消噪电容C10是否损坏。当印制板或V-Ω-COM输入插孔间存在漏电时,会导致20MΩ、200MΩ档的测量误差增大,应及时用无水酒精清洗。...

       2006-12-16

  • DT-890B型数字表直流电流档的故障

    原因主要是0.2A保险管烧毁,保护二极管D1、D2损坏,分流电阻变值。10A档无法测量,大多是R50损坏,需更换0.01Ω锰铜电阻丝,不能用铜导线作为分流电阻,后者电阻温度系数过大,测大电流时会改变分流电阻值。...

       2006-12-16

  • DT-890B万用表电容档不能正常测量

    原因大多为量程开关接触不良,电容插座中的V型弹簧片变形引起接触不良,保护二极管D8~D11中有击穿短路,IC6损坏,文氏振荡器停振。若仪表出现乱跳数现象,可能是R10、R20、R21、C12变值,改变了有源带通滤波器的选频特性。当测量误差明显增大时,应...

       2006-12-16

  • 改进型B类(乙类)放大器

    B类(乙类)放大器是最为流行的一种工作类别,特别是晶体三级管放大器,它不仅获得了成功,而且也很灵活。因此,设计师们总是试图把B类(乙类)效率高的优点与A类(甲类)线性好的特点结合起来,采用许多办法作进一步地改进,于是出现了一些改进型的B类(乙类)放大 器,或...

       2006-12-15