[组图]三差分对相乘器(四象限线性化可变跨导相乘器)
2017-05-16作者:2157
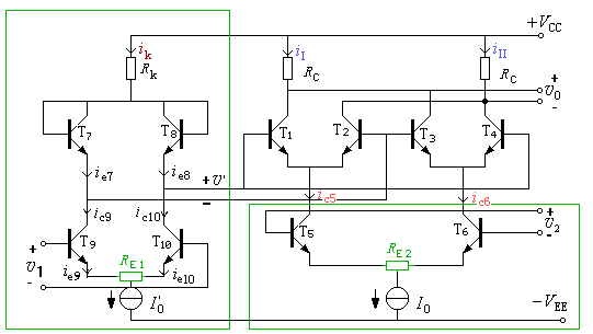
1)电路
 |
2)电路构成: ◆T1~T4,T7、T8构成流控吉尔伯特电路,实现ic=iI-iII∝(ic5-ic6)(ie7-ie8) ◆由T9、T10、RE1与T5、T6、RE2分别构成电流-电压线性转换器。 |
3)电路特点: ◆电路中加入RE1、RE2可分别扩大双差分对管相乘器中输入υ1、υ2信号的动态范围,使它们不受26mV限制。 ◆扩大υ1动态范围是引入反双曲正切变换电路和线性电压-电流变换器实现的; ◆扩大υ2动态范围就是经一个电压-电流变换器实现的。 ◆扩大了υ1、υ2动态范围的相乘器称四象限线性可变跨导相乘器 ◆相乘增益 与温度T无关 (只要使T5、T6,T9、T10两差分对管均工作在放大区即可,即满足 )。 |
网友评论