令υ1=V1mcosω1t,
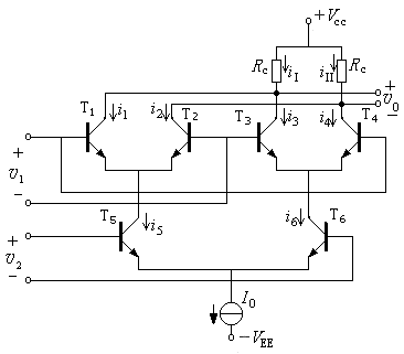
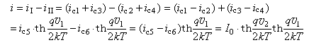
2)工作原理 |
|
| | |
| 3) 讨论 | |
| A) 若V1m<26mV,V2m<26mV | |
| 则 | |
| |
| | |
| 则 | |
| |
| C) 若V1m≥260mV,V2m<26mV | |
| 则 | |
| |
|
| |
| 4)结论: | |
| ◆ 相乘增益 | |



网友评论