该机器是配套购买的,刚用一年多。
1.LED光源的修理

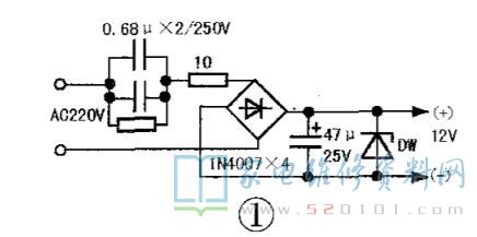
        科宝的排油烟机,上有两组LED光源,每组有15个LED灯作照明光源。故障表现为不能开灯。检查后发现是LED灯电源没有了。拆下电源小盒,其上小字说明是LED灯电源变压器,型号:DLQ-201S-1。输入电压:220V~240V。标准输出:12V,3W。最大输出功率≤3W。电路图如图1所示。


        这是一款直接采用由220V市电,经电容降压,桥式整流、滤波,再经DW稳压,输出12V的直流电源。检查发现降压用并联的C1.C2 (均为0.68uF、耐压250V)其电一个烧崩。DW.C3失效。我觉得此故障可能是降压电容耐压不够引起的。再购同种元件有所担心,换所有损坏元件也不合算。故用图2所示电路代之。

2.一个电子打火器不能打火

       该炉灶共有两个火眼。压下煤气调节控制开关,反时针旋转,电子打火开始放电打火,煤气开始逐渐加大,直至点火完成,放松开关放电停止。但其中一个却不能放电打火。其结构原理如图3A所示,要换这部分,人工、材料很贵。解决方法有两个:(1)将两条连线相并联,由一个开关控制,但要两只手操作,才能完成,很不方便。(2)如图3B所示。

       去掉滚花螺母,用一根较粗导线与原导线连接好,把粗导线用铁丝固定在螺纹上,露出导线的前端略弯一些,使其有点弹性,也便于随时调节。当旋钮(合金钮)压下时(可下移约3mm)与导线接触,实现自动放电打火,与原来一样方便。