• 显示器故障现象及其分析

    如何准确的观察和分析故障现象是判断故障类型选择维修方法必不可少的条件和手段观察故障现象应该分清是联机加电状态还是显示器单机加电状态有些显示器根据故障现象在单机状态下就可以修复但有些显示器则必须在联机状态下才能修复在多频显示器中绝大多数型号的...

       2007-08-16

  • 显示器故障类型有多种分类方法

    一按元件损坏情况分类可分为硬故障和软故障硬故障是指元件完全损坏电阻绕断或阻值变为无穷大使该支路电流不能通过电容开路使交流信号或脉冲信号不能通过电容击穿短路阻抗为零使支路发生短路故障二极管三极管击穿短路或被烧坏使电路不能工作软故障是指元器件性能参数发生变化或元器件虚焊脱焊转插件接触不良等其故...

       2007-08-16

  • 显示器检修实例

    实例一:一台Digital彩显,开机指示灯亮,有“吱,吱”声,无光栅。  分析与检修:指示灯亮,说明电源部分正常,“吱,吱”声疑是高压放电。打开机壳观察,约一分钟,行输出变压器附近有冒烟现象,检查发现:并接在行输出变压器⑩脚的R843电阻已烧焦。焊下电...

       2007-08-16

  • 三星显示器检修实例

     [例1]故障现象:KX-700彩显全无。  该现象为主电源电路没有正常工作。检查保险管F101正常,测主开关电源输出端电压为0,说明是开关电源没有启动。通电瞬间测电源厚膜集成电路IC101(KA29100){3}脚没有启动电压。该机采用阻容启动方式,于是瞬间短接启动电容C103两端,...

       2007-08-16

  • CRT画面不正常揭密

    画面偏移:有可能是旋钮失效或显示器水平震荡器已经损坏,水平震荡器通常处于显示器的光栅板上,请由专业人员更换。如果画面缩小,通常是器件老化的表现,也可能是显示器内部高压电路存在故障。也只能由专业人员处理。&n...

       2007-08-16

  • 显像管的选用与代换经验介绍

    不同厂家、不同型号的显像管,往往在结构、性能等方面均有较大的差别,大多数显像管(尤其是彩色显像管)均不能直接互换使用。因此,在电视机显像管损坏后,首先应选择与损坏显像管型号相同的显像来代换,这样可避免改动电路的麻烦。若无原型号的显像管更换,则应选择与原型号显像管的结构和参数相近的显像管来代...

       2007-08-16

  • 显示器件的选用经验介绍

    (一)LED数码显示器的选用LED数码显示器广泛应用于数字仪器仪表、计算机显示、电子钟表及各种大屏幕汉字、图形显示等领域。选用LED数码显示器时,应根据具体要求赤选择合适的型号规格。外形尺寸、发光颜色、发光亮度、额定功率、工作电流...

       2007-08-16

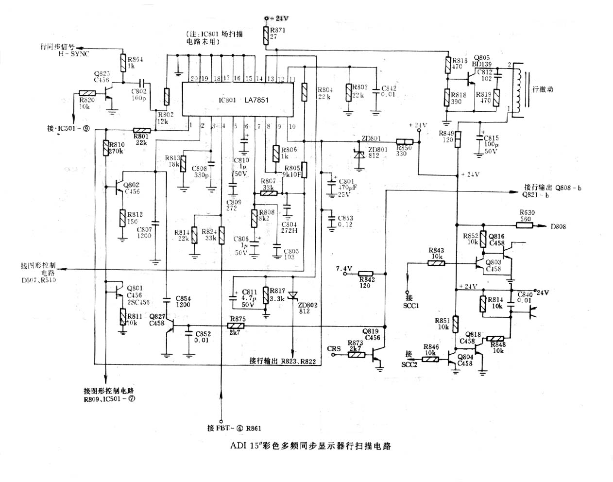
  • [组图]ADI 15显示器

    行扫描 行扫描 场扫描 控制电路 ...

       2007-08-16

  • [图文]三星510B彩显开关电源剖析原理图

    点击放大 ...

       2007-08-16

  • [图文]AOC 769 17显示器

    ...

       2007-08-16

  • [图文]AOC S569 15显示器

    ...

       2007-08-16

  • 一台17`纯平WEYI显示器的修理过程!~

    今天修理一台国产17`纯平彩显铭牌为~~~~~WEIYI。 故障现象为时而可开机时而不能开机,而且不能开机时电源灯不亮但机内有继电器吸合的声音,还有高压产生“喀啦”的声响。 起初以为是某个地方虚焊,把行输出,行场扫描IC电源,视放板都补焊过还是没有用 开机时还可听到行输出变压器有声响,+B...

       2007-08-16

  • 显示器维护之DIY

    如果你自认为是一名DIYer,相信你对电脑主机的拆装和维护都是“随手捏来都柔软”(舒洁?)。但是当你在一个菜鸟面前大谈Geforce 2 GTS,SB Live! Platinum的时候,你有没有想过怎样才是真正的DIYer?如果你现在开始意识到自己还不是一个真正的老鸟的话,那本文将带领你...

       2007-08-16

  • 显示器行管损坏检修

    行管损坏是维修显示器时最常见的问题,而屡坏行管更是令人头疼的一件事,那么发生问题的根源何在呢?本文就此谈一下我在维修实践中对此问题探索和总结。一般来讲造成行管损坏的原因有以下几种:1.行管质量有难以预见的缺陷,使用中自然损坏。2.逆程电容容量减小或开路使...

       2007-08-16

  • 阴极射线管显示器(CRT)磁化的原理及解决方法

    显示器是几乎每台电脑都必须具备的设备,我们一打开电脑便会目不转睛地注视着显示器。如果没有显示器,我们就不能及时了解电脑的工作状况。所以,显示器在整套电脑中的位置就如我们的眼睛,是展现电脑灵魂的窗户。   显示器按其工作原理分许多类型,比较常见的是:阴极射线管显示器(CRT)和液晶显示器(L...

       2007-08-16

  • 显示器常见故障解决一把抓

    这是我对自己以前的维修实例的总结,因为我的维修笔记找不到了,所以一些显示器的型号没具体给出可,个别给出的元件标号可能有所出入。1. Acer54E电源灯正常,行不工作。行输出变压器附近的220P1KV电容(标号好像是C335)漏电。该电容系AFC电路中的分压电容,因厂家采用了...

       2007-08-16

  • 显示器黑屏故障分析

    计算机显示器出现黑屏是用户在使用计算机中经常遇到的问题。其实,只要稍对计算机硬件中主板、CPU、内存、显示卡等几大部件有一定的了解,非元器件的损坏的简单故障完全可以自已动手排除。出现这种情况,你可以按照以下的维修步骤和方法进行分析和简单的维修:   一、检查主机电源是否工作 电源风扇是否转...

       2007-08-16

  • HPC 1548彩显图像边缘为锯齿状

    先了解情况,调整彩显刷新率,结果发现该故障与刷新率有关:刷新率越低,锯齿状故障加剧,反之则症状逐渐减轻;但当刷新率大于800×600/75Hz时,故障又再次加剧,应为开关电源与行扫描不同步所致(行同步脉冲极性相反)。&...

       2007-08-16

  • HPC 1548彩显,图像边缘水平方向呈锯齿状,且周期性由

    故障现象如图1所示,似开关电源300V电源滤波不良,又似高压打火造成的脉冲干扰。用示波器探测,在该方向离高压帽5cm处可见幅值>600VP-P、周期为25mS(约40Hz)的干扰脉冲,见图2。用无水酒精再次对该部分进行彻底清洗后,在拆卸高压帽时,发现原高压帽...

       2007-08-16