• HVT彩显维修实例二则

    故障I:开启电源,指示灯亮,无光栅。调整亮度、对比度旋钮,不起作用。故障分析与检修:根据故障现象判...

       2007-08-16

  • 存储器数据异常引起的彩显亮度/对比度故障检修

      故障现象:一台15英寸ACER7154e电调彩显,出现亮度不能调节,显示很暗的故障现象。具体是选中亮度调节项后,按“ADJUST+/-”键调节亮度时,指示灯立即闪烁,不管是调大还是调小,亮度不变;对比度只能用“ADJUST-”往小调,不能用“ADJUST+”往大调,否则也是指示灯立刻闪...

       2007-08-16

  • 显示器亮度偏低的维修

    一台APPLEVISION1710彩显,亮度偏低,一般是将加速极电压调高一点,或者是将视放板上的亮度调整旋钮稍加调整,使亮度增大即可,但该显示器与其他显示器不同,行输出变压器的两个旋钮标明是聚焦,而不是标SCREEN(亮度)。于是将视放板的屏...

       2007-08-16

  • CRT显示器故障维修

    __故障现象1:AST(VGA)彩色CRT显示器显示垂直幅度正常,但水平幅度缩小。__故障分析与维修方法:显示的内容完整,表明场扫描电路、视频放大电路、高压电路都基本工作正常,可能损坏的电路是行扫描电路、电源电路。检查维修方法如下__1.关机...

       2007-08-16

  • 维修Model CVP-5468彩显电源

    Model CVP-5468型彩显开机后发光二极管指示灯不亮,无光栅。打开机壳检查,测得行输出管的集电极电压UC为0(正常值为90V左右),主电源+B也为0;进而测试C105上有300V脉动直流。测IC101{6}脚为2V,{2}脚为4V,{...

       2007-08-16

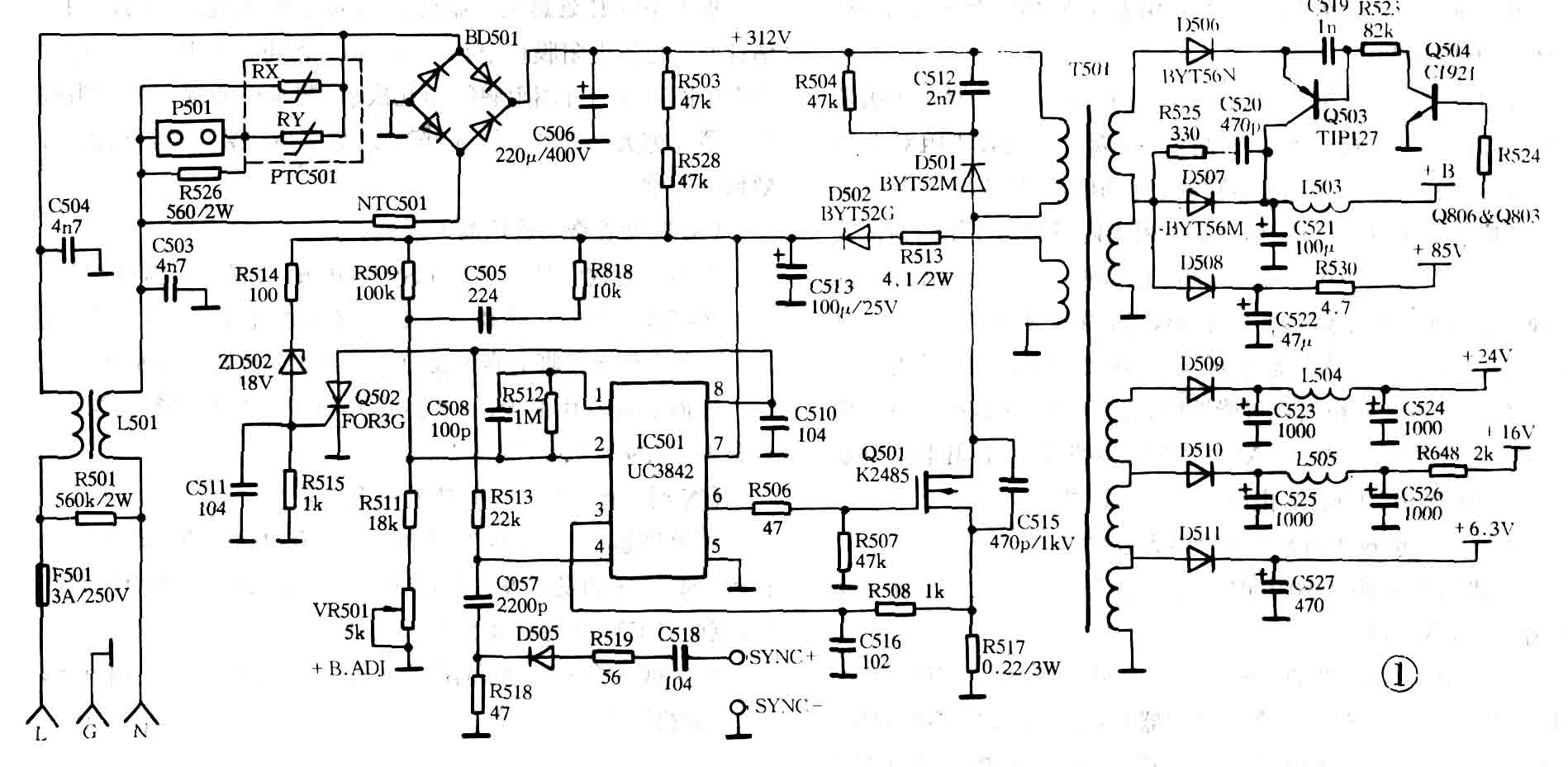
  • [组图]ACER-7156显示器电路图

    ACER-7156显示器电路图-1 ACER-7156显示器电路图-2 ACER-7156显示器电路图-3 ACER-7156显示器电路图-4 ACER-7156显示器电路图-5 UC3842 ACE...

       2007-08-16

  • [组图]IBM G50 显示器图纸

    IBM G50 显示器图纸(1) IBM G50 显示器图纸(2) IBM G50 显示器图纸(3) IBM G50 显示器图纸(4) IBM G50 显示器图纸(5) 行扫描电路图1 ...

       2007-08-16

  • [组图]MAG-570V显示器电路图

    MAG-570V显示器电路图(1) MAG-570V显示器电路图(2) MAG-570V显示器电路图(3) MAG-570V显示器电路图(4) MAG-570V显示器电路图(5) MAG-570V显示...

       2007-08-16

  • [组图]MAG-XJ500T显示器电路图

    MAG-XJ500T显示器电路图-1 MAG-XJ500T显示器电路图(2) MAG-XJ500T显示器电路图(3) MAG-XJ500T显示器电路图(4) MAG-XJ500T显示器电路图(5) M...

       2007-08-16

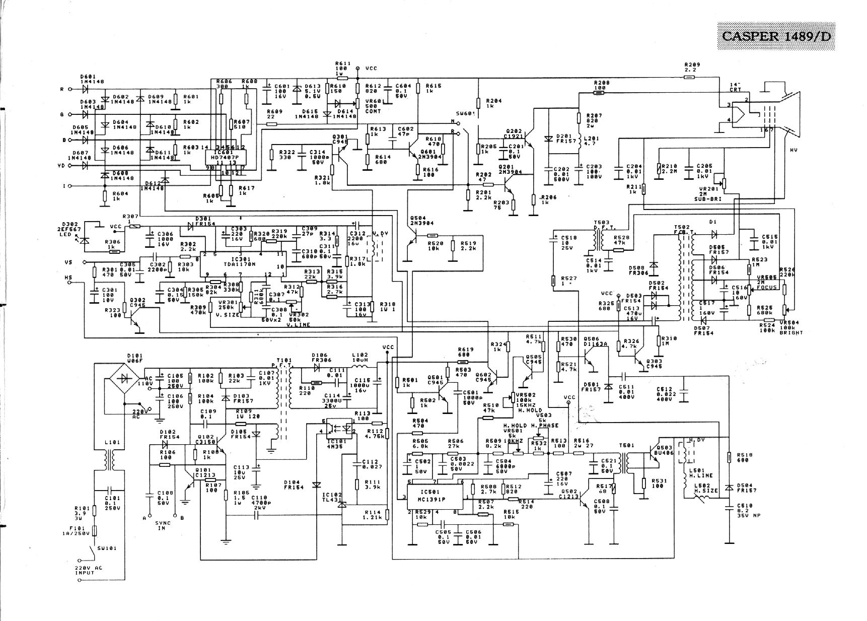
  • [图文]联想LX-MC1489/N显示器图纸

    点击放大 ...

       2007-08-16

  • [组图]EMC彩色显示器的维修

    EMC彩显在国内的拥有量比较大,早期的一批模拟机(比如EM—1428、484F、836F、848F等)已到了维修期,但是由于显示器一般没有图纸资料,维修有一定的难度,好在EMC很多型号的显示器的电路图大同小异,有的甚至元件标号都一样。笔者根据平时积累的资料整理出一些维修实例和部分图纸...

       2007-08-16

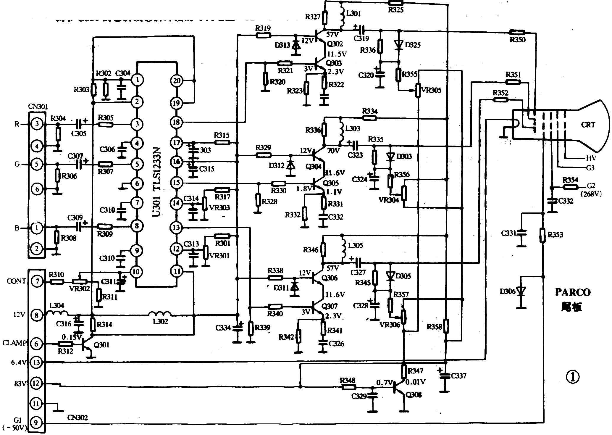
  • [组图]新型彩显尾板电路原理与检修

    目前,许多新型彩色显示器的尾板电路都采用TLS1233N 集成块构成。笔者根据PARCO显示器电路板实物,画出图1 所示的电路原理图,供维修人员参考。 点击放大 TLS1233N是美国TEXAS公司于1995年新推出的20个引脚的三基色视放集成电路,与以往的三基...

       2007-08-16

  • 显示器行输出变压器速查/代换表

    ID型 号脚别/代换               ID型 号脚别/代换1BAC24-4005127.4563428025810 280287801234.692506262230412.8935PHILIPS 彩显13...

       2007-08-16

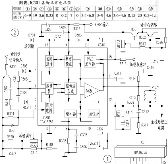
  • EMC彩色显示器场扫描电路的原理与维修

    目前彩色显示器的种类繁多,而生产厂家通常不提供电路原理图,这给维修带来了较大的困难。笔者根据多年的彩色显示器维修经验,结合EMC彩显及TDA1675A的内部方框图,对照线路板实物,描绘出了场扫描部分的电路图,现就其工作原理及常见故障作如下分析: 一、EMC彩色显示器场扫描电路的工作...

       2007-08-16

  • 显示器参数的意义和识别技巧

      最近有很多朋友在讨论电视图像清晰度时都常涉及到显示器的点距、栅距和分辨率以及哪个数据最重要,笔者简单说明一下几个基本定义。  点距(Dot Pitch)  主要是对使用孔状荫罩来说的,是荧光屏上两个同样颜色荧光点之间的最短距离。  栅距(Bar Pitch)  条栅状荫罩显示器(如SO...

       2007-08-16

  • IBM彩显无光栅故障检修一例

    对于无光栅故障应首先检查电源电路。用万用表测量桥式整流直流输出端有300V电压,正常;测量电源开关管Q801的集电极无电压,断电测开关变压器T801的引脚之间的电阻很大,故怀疑开关变压器坏,随后拆下开关变压器,测量引脚之间的电阻为无穷大,判定开关变压器...

       2007-08-16

  • HP彩色显示器维修二例

    [例1]一台HP D2803A 14英寸彩色显示器,通电后工作指示灯不亮,无光栅,无高压静电感觉。  据故障现象分析,这类故障一般在开关电源或行电路部分。经观察发现电源保险丝F001已熔断,管壳发黑,用万用表检测开关电源电路和行电路,发现全桥整流D0...

       2007-08-16

  • 显示器维修方法与技巧

    显示器常见故障维修起来比较容易但对多频显示器特别是疑难故障就往往使人头痛无法下手有时久攻不下要顺利的排除这类故障就要不断的总结经验认识它的基本规律掌握好维修方法和技巧现介绍显示器维修方法和技巧 一、常规观察法 这是一个简单易行的方法打开机器后盖用人体感观直接观察机内元件有无缺损断...

       2007-08-16

  • 显示器维修工具

    显示器维修工具 维修显示器除了要掌握各种维修方法和具备较强的动手能力外还需要对维修显示器常用维修工具的性能和特点了如指掌运用自如二者缺一不可常用的仪器仪表使用好了对于顺利的判断故障部位找出故障原因从而排除故障是很有益的否则只凭感觉和经验虽然也能排除简单的...

       2007-08-16

  • 显示器基本原理

    第一节显示器概况一显示器发展概况 显示器的发展是伴随计算机的发展而发展起来的在颜色方面由单色绿色黄色琥珀色纸白色发展到彩色单色显示器由单色发展到多灰度16 个灰度单色显示器VGA 单色显示器而后发展为VGA 多频单色显示器彩色显示器最初只有4 色很快发展到8 色 16 色 64 色 2n ...

       2007-08-16