• 微机开关电源的工作原理及故障检修

    微机开关电源是微机中故障率较高的部件之一。目前微机普遍采用脉冲宽度调制变换式开关直流稳压电源,其结构基本相同,故障检修有一定规律。下面先简述微机开关电源的工作原理,然后结合笔者的检修经验,介绍微机开关电源常见故障的检修方法,供大家参考。一、微机开关电源...

       2007-08-18

  • 一台微机电源,加电后保险丝烧毁

    关断电源,测量电源输入端的电阻,阻值为零,即断定有短路现象,检查整流电路,发现有一整流二极管击穿,再查功率开关管,一开关管烧坏短路,更换开关管及二极管后,故障排除。...

       2007-08-18

  • 微机电源无电压输出

    这类故障先查看保险丝,如保险丝完好,则检测各处的电压,以确定故障部位。常见的有:功率开关管损坏,控制组件损坏,低压直流的整流二极管损坏,过流、过压保护电路误动作等。维修时先判断功率开关管是否完好,各路低压整流电路是否正常,如都正常,则可加电检查功率开关管的基极是否...

       2007-08-18

  • 一台电源无输出,保险丝完好

    打开电源盒盖,检查功率开关管、输出端各路直流整流滤波电路没有损坏,接通电源,测量高压整流输出电压为300V,用示波器观察控制组件TL494的8、11脚有驱动脉冲输出,检查控制组件的8、11脚至开关管之间的激励变压器及几个电阻,发现一电阻焊脚氧化造成开路...

       2007-08-18

  • 山特(Santek)8242不间断电源逆变输出停止后,报警灯不亮,蜂

    电源在逆变过程中,当E的电压低于17V时,U8{10}脚的电平低于{11}脚,U8翻转,其{13}脚输出高电平,一路经R19、D8使Q3导通,将IC1{9}脚钳位在低电平,使IC1{11}、{14}脚停止输出,逆变电路停止工作;另一路经R62使Q8导通...

       2007-08-18

  • 山特(Santek)8242不间断电源停电后,蜂鸣器间断鸣叫,无逆变

    蜂鸣器间断鸣叫,说明停电检测电路正常,故障应在逆变电路的振荡、推动及升压部分。用万用表交流电压挡测JK4{2}、{6}电压为0V,正常值应为220V。将T用一正品代换无效;将Q9~Q12拆下分别用同规格正品代换,故障依旧。用示波器测IC1{11}、{1...

       2007-08-18

  • 山特(Santek)8242不间断电源逆变输出电压不稳定。

    用万用表交流电压挡测JK4{2}、{6}的电压为220V,但不稳定,怀疑稳压控制电路有故障。逆变电路工作后,在T的L2绕组上感应出和逆变输出成正比的电压,经D2、D22整流,C9滤波后,反馈回IC1{1}脚,作为比较电压和IC1{2}脚的基准电压进行比较,控制IC1{11}、...

       2007-08-18

  • 山特(Santek)8242不间断电源逆变输出电压正常,蜂鸣器无间断

    故障应在引起蜂鸣器间断鸣叫的振荡电路。停电时,U2{1}脚输出低电平,失去对U5{6}脚的控制,U5{6}脚的高电平经R88、R87向U5{1}脚放电,其{6}脚电压逐渐降低。当其{6}脚电压低于{7}脚时,U5翻转,其{1}脚输出高电平,经D19、R...

       2007-08-18

  • 山特(Santek)8242不间断电源有E供电蜂鸣声,但无E放电完毕

    正常时,随着逆变时间的增加,E电压逐渐下降。当E电压降至20V时,U6{4}脚电压约为4.6V,低于其{5}脚电压,U6翻转,其{2}脚输出高电平,将C7从振荡器U5的充放电回路中脱开,U5{6}、{1}脚间的充放电时间缩短,U5的振荡频率...

       2007-08-18

  • 山特(Santek)8242不间断电源在电网供电时,按下电源开关,整

    正常时Q1 b极电压稳定在12.2V。E电压经Q1调整后,其e极输出11.5V,送到IC1(SG3524){15}脚作为IC1的工作电压,经稳压从{16}脚输出稳定的+5V直流电压,作为两个四电压比较器U1~U8(μP339)的基准电压。测E的电压为24V正常,检测开关K1接...

       2007-08-18

  • 山特(Santek)8242不间断电源电网供电时,变压器T无输出

    相关电路见相关文章介绍,测JK4 {6}、{5}有220V交流电压输入,但测其{6}、{2}输出电压为0V,说明J1释放,正常时J1应吸合。测A点的对地电压为2V正常,说明桥式整流器ZD2和IC3工作正常。测U1{2}、U2{1}脚的电压均为高电位正常...

       2007-08-18

  • 山特(Santek)8242不间断电源蓄电池E的充电功能失效,且充电

    用万用表交流电压挡测JK3{1}、{2}间电压正常;再测IC2{1}脚对地的直流电压也正常,说明ZD1工作正常。测IC2{2}脚电压约24V正常;最后将D23拆下检测,发现其正、负极间的电阻值均为无穷大,更换后故障排除。...

       2007-08-18

  • 山特(Santek)8242不间断电源停电后,继电器不切换,正常指示

    当电网电压低于170V或停电时,A点的电压使U1{5}脚电压低于1.1V,U1、U2输出低电平,Q6截止,Q6 c极的高电平使J1、J2、J3全部释放,输入电源线与T的L1绕组脱开,为逆变作准备。同时Q6 c极的高电平使Q9导通...

       2007-08-18

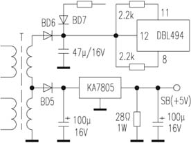
  • 银河YH-2503B ATX电源仅有SB(+5V)电压及+3.3V电

      检查发现IC1(DBL494)炸裂。用TL494CN代换后试机,故障依旧。该机变压器T次级绕组产生的感应电动势经BD5整流后产生12V左右的电压,经KA7805稳压后输出+5V电压;同时经BD6整流产生+18V左右的电压送到IC1{12}脚,IC1得电后处于准备工作状态。 ...

       2007-08-18

  • UPS-500M电源有时无交流电压输出,有时有输出并能维持。

    有时有交流电压输出并能维持,说明电路工作基本正常,线路存在虚焊或松脱的可能性较大。细查底板并加焊怀疑部分,检查好各插口,仍不能排除故障。查振荡集成电路SG3524{15}脚12V供电正常,{16}脚5V基准电压正常,怀疑振荡电容C2不良,换之无效。在有...

       2007-08-18

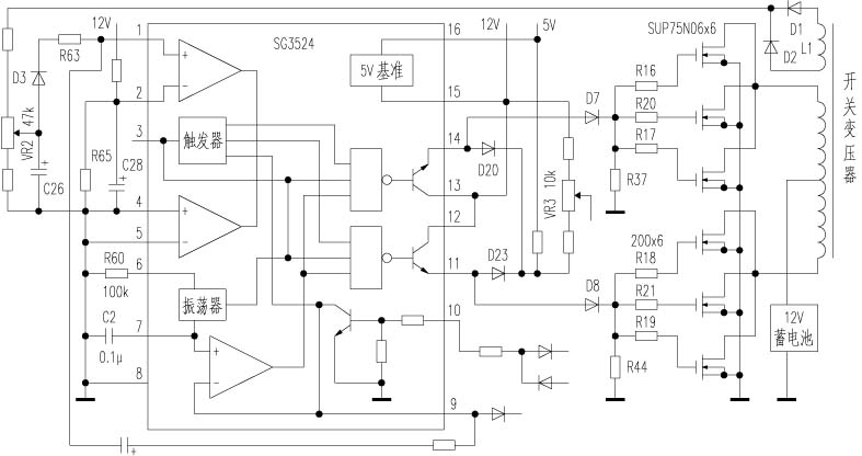
  • UPS-500M电源市电停电后无交流电压输出。

    拆盖检查,12V蓄电池负极端霉断,检测蓄电池已失效。查功率输出部分,场效应功率管SUP75N06均已击穿,其限流、耦合电阻R16、R17、R18、R19、R20、R21(200Ω)已烧毁,更换上述损坏元件,再换一只高能干式蓄电池试机,故障排除。...

       2007-08-18

  • ATX9912P开关电源开启电源开关O/I,+5VSB过低,其余各路

    其余各路输出正常,说明电源工作基本正常,但+5V SB接上负载后,下降至2~4V左右(此时,用示波器测其波形变得很散,甚至看不到波形)。说明电源带负载能力差,故障很可能发生在反馈控制回路,经查Q1性能不良,用C945更换后,开机带载一切正常。...

       2007-08-18

  • ATX9912P开关电源接通电源,开启电源开关O/I,无电压输出,同

    经查控制回路中C5失效,更换C5后开机,一切正常。...

       2007-08-18

  • SANTAK微机UPS电源按面板AN开关无任何反应。

    该UPS电源为电容启动方式(如图所示),当按下面板开关时,蓄电池电压瞬间给电容C12充电,产生启动电压控制三极管Q2导通,进而控制三极管Q5导通。这时,+12V电压经三极管Q5的e-c结、R12、D2给CPU等电路供电,并提供5V电压,整机启动完成。启...

       2007-08-18

  • ATX9912P开关电源通电后开启电源开关O/I,无输出

    拆盖,用万用表测F1已熔断,查Q1、Q2均击穿更换Q1、Q2后,装上F1开机,故障依旧。经查R10、R11开路,用100Ω/0.125W的电阻换上后,开机有输出,但+5VSB过高,说明反馈回路或稳压部分还有故障。快速关机(开机时过长,会再次击穿开关管)...

       2007-08-18