• 创维34SP9000遥控失效

    故障现象:遥控失效。其它正常。故障检修:查遥控器正常,代换接收头无效。检查接收头至TDA9373遥控信号输入端电路正常。怀疑TDA9373内部损坏,用TDA8373代换TDA9373后遥控正常,进入总线进行初始化,调整总线数据后电视恢复正常。...

       2008-07-09

  • 创维25NF8800热机行频啸叫

    该机刚开机前十分钟声.图完全正常.当主版发热后就出现类似行频偏的几几刺耳声.但是图象伴音不受任何影响.代换电源.晶振.高压包无果.当叫声出现时按压串联在行偏转500UH电感叫声立刻消失.将该电感换新再无叫声出现。...

    liqun.01   2008-06-07

  • 创维8000-2922彩电三无

    修:开盖检查行管已短路,用户反映之前已经烧了三只行管,有的用三、五天,有的用十多天。因此不赶轻易换管试机,先后检查开关电源、行推动、行逆程电容等电路,没有发现问题,换上行管(D2253)试机,电视工作,但行管温度很高,找来电路图发现图标行管型号为不带阻尼的D1547,D2253为带阻尼的行...

    ZBX   2008-06-07

  • 创维25NF8800彩电跑台

    故障检修:脱开高频头调谐电压输入端与电路板的连接,用10K挡,黑表笔接高频头调谐电压输入端,红表笔接地测量电阻,电阻为100K左右且不稳定(正常为无穷大),说明故障在高频头。该机高频头型号为ENV59D69F1(11脚),试用TCL79107D5B3(6脚)代换,跑台故障排除。...

    zbx   2008-06-05

  • 创维25NF8800A不定期黑屏,伴音始终正常

    故障检修:故障时灯丝不亮,测灯丝电压和加速极电压为0,说明行输出电路没有工作。查行推动管Q304电压,B=0.6V(正常0.4V)C=2.1V-2.6V波动(正常24V),查R319(3.3K/5W),Q304(C2482)及周边元件正常,试换Q304,故障排除。...

    zbx   2008-06-05

  • 创维彩电5D72黑屏有声

    开机检查行供电正常,行已起振,但是灯丝电压低,加速极电压没有,判断为行弱振,检查行电路,逆程电路没有问题,枕校电路没有问题,检查到R402时,发现已经开路,换后开机,立刻冒烟,检查行线性电容,发现已经开裂,更换后,一切正常....

       2008-06-05

  • 创维彩电25NF8800热机行频叫声

    该机刚开机前十分钟声.图完全正常.当主版发热后就出现类似行频偏的几几刺耳声.但是图象伴音不受任何影响.代换电源.晶振.高压包无果.当叫声出现时按压串联在行偏转500UH电感叫声立刻消失.将该电感换新再无叫声出现....

    liqun.01    2008-06-05

  • 创维25T88HT彩电6P18机心故障

    故障现象;开机能听到高压的启动声音瞬间进入保护随着行管的基极对地电阻冒出一股烟。 故障分析;根据故障表现行电流大,开机的瞬间测量行电流高到700mA很显然行输出电路存在短路的故障,该机为高清彩电,首先检查阻尼电容及二极管偏转线圈‘行输出’行推动电路及枕效电路元件,未发现故障元件...

       2008-05-06

  • 创维25ND9000三无,指示灯亮

    据用户讲该机最近几日有时能开机,有时不能开机。试用遥控(万能遥控)开机,故障依旧。查300V正常,+B=25V,测电源块IC601电压:(1)=310V(3)=0V(9)=6.4V,为待机状态;断开行负载,接60W灯试机,灯闪亮一下即熄。查遍开关电源及C...

       2008-05-05

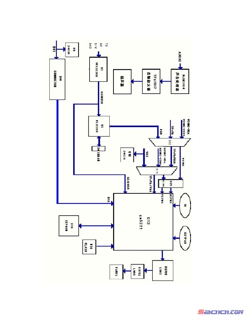
  • 创维5M10数字板工作原理简介

    我们对5M10 的数字板的信号流程作一简单介绍:如图:TV/AV/S-VHS 信号经TA1218AN 切换后通过数字板的插座SIP1 的脚和8 脚分别送入VPC3215C ,其中若切换输出的是TV/AV 信号,则该信号直接经插座SIP1 的9 脚送入VPC3215 的62 脚(vid...

       2008-05-03

  • 创维彩电各型号数字板区别说明(图)

    1、5D20、5D25、5D26、5D60、5D66数字板:以上5种所用基板相同,不同点在于5D20、5D25、5D26均采用2块SDRAM,5D20、5D2...

       2008-05-03

  • 创维8TG机芯原理介绍

    TV,AV, S-VIDEO信号:电视机一体化高频头输出的视频信号(CVBS)由主板插排CN01A的9脚脚入主板,经高频补偿电路C33、L8、C32后由C30耦合,送到VPC3230D 75脚内部电路处理。AV插口输入的视频信号由主板插排CN03A的4脚脚入主板,经C13耦合,Q2等元件组...

       2008-03-16

  • 创维8TG3/5魔画电路故障检修和提示要点(图)

    注:以上主板软件版本的说明版本不同只是它的软件数据不同,因为配的屏不一样,但硬件电路是基本相同,在代用时,得注意以下3个方面:1. 软件FLASH数据得改过来,数据得重新烧写2. 屏供电一定得注意,电路板的屏供电一定得满足屏使用的供电(如: 三星的5V供电为多,LG的12V供电为多)3. ...

       2008-03-16

  • 创维34SI9000彩电出现枕形失真

    顾客送修的创维34SI9000彩电经过检查有两个故障,一个是场不稳定有时收缩有时过大.另外枕形失真很明显! 由于没有该机图纸.经过核对线路板发现枕校电路是用一个N型场效应三极管,它的供电是由D301(BY228)与D300(RU4B)分压点+27V提供的.由于D300并联的涤纶...

       2008-03-10

  • 创维29HD9000(5P20机芯)无声检修和总线调整方法

    采用5P20机芯的机型线路不尽相同,此机的功放部分与随机图纸就不同。 此机采用的部分集成电路为: CPU:SKYWORTH 47-00009-42;信号处理为OM8839;音源切换及音效处理为TDA9859;功放为TA8200AH,重低音使用TDA...

       2008-03-07

  • 创维6D72、6D76机芯的原理与维修

    6D72,6D76系列为HDTV-READY彩电,分别是5D70和5D76系列的升级版本。6D72和6D76机芯所用主板相同,但数字板不同。6D76的VM输出是由DPTV来完成,6D72的VM则是在CRT板上对合成亮度信号进行微分放大实现。以上两个高清系列都采用多频归一方案,对各种信号采用...

       2008-03-06