概述:LT1796采用8脚封装。在没有数据发送时可以处于关断状态,消耗的电流仅200uA。当要求电路启动时,电路必须在几个毫秒内完全恢复到正常工作状态。在关断条件下放大器进入高阻状态。
一、LT1796引脚功能
二、LT1796内部方框图
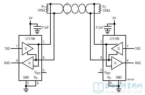
三、LT1796典型应用电路
概述:LT1796采用8脚封装。在没有数据发送时可以处于关断状态,消耗的电流仅200uA。当要求电路启动时,电路必须在几个毫秒内完全恢复到正常工作状态。在关断条件下放大器进入高阻状态。
一、LT1796引脚功能
二、LT1796内部方框图
三、LT1796典型应用电路
网友评论