概述:NCP1608(丝印号1608B)是安森美半导体公司推出的临界导通模式功率因数校正控制器IC芯片,它的内部集成了基准电压源、启动定时器、误差放大器、模拟乘法器、电流检测放大器、MOSFET驱动级以及保护电路等。NCP1608引脚功能和维修参考数据见表2。
一、NCP1608功能和特性
• 无输入电压检测要求
• 锁存 PWM 用于逐周期导通时间控制(电压模式)
• 适用于大功率应用的宽控制范围(>150 W)抗噪性
• 跨导放大器
• 高精度电压基准(± 在整个温度范围内为 1.6%)
• 极低的启动电流消耗 (≤ 35 mA)
• 低典型工作电流消耗 (2.1 mA)
• 拉电流 500 mA / 灌电流 800 mA 图腾柱栅极驱动器
• 具有滞后的欠压锁定
二、NCP1608引脚功能和实测电压值
中文引脚说明:①脚:FB,稳压反馈端,内接2.5V基准比较器,同时也是OVP和UVP保护端,当此脚电压高于2.6V或低于0.3V时,IC将启动保护而停止工作。②脚:Ctrl,误差放大输出端,此脚外接电容建立电压调整驱动输出脉宽。③脚:驱动脉冲开关定时控制端,外接振荡电容。④脚:CS,开关管工作电流检测端,此脚电压高于0.5V将关闭驱动。⑤脚:ZCD,过零检测端。⑥脚:地。⑦脚:驱动输出端。⑧脚:VCC,此脚正常工作电压为12V,若低于9.5V,IC停止工作。
三、NCP1608内部方框图
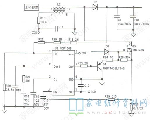
四、NCP1608典型应用电路
1、在长虹FSPM35D-4MF120电源板上实际应用
2、在康佳B55U液晶电视电源板中的应用电路
如下图所示,AC220V市电经VDB912~VDB915桥式整流后产生的100Hz脉动电压VAC,经储能电感LF901和电感LF903送到大功率开关管VF901的D极。二次开机后,开/关机VCC控制电路将PFCvcc电压加到NF904⑧脚,NF904内部的振荡电路开始振荡,产生的脉冲信号经内部电路处理后,从⑦脚输出PWM驱动脉冲,激励VF901工作在开关状态。VF901 导通时,将能量储存在LF901中;VF901截止时,LF901储存的能量通过vDF902向CF913充电,这样,在CF913上就得到了约380V的PFC电压。PFC 电压作为开关电源的供电,还作为背光驱动电路中功率放大器的工作电压。
储能电感LF901次级绕组产生的感应脉冲经RF901送入NF904⑤脚,控制⑦脚输出驱动脉冲的相位,从而控制VF901 的导通与截止时间,避免VF901导通损耗大而损坏。
五、NCP1608极限电气参数

网友评论