概述:LTC3788采用耐热性能增强型扁平32引脚5mmx5mmQFN封装。为双输出、大功率同步升压型开关 DC/DC 控制器,该器件用一个高效率 N 沟道 MOSFET 取代了升压二极管。消除了在中到大功率升压型转换器中通常需要的散热器。在5A 输出时能以高达 97% 的效率产生 24V 电压。

      启动时在4.5V 至 38V 的输入电压范围内工作,启动后可在低至 2.5V时保持工作,且可以调节高达 60V 的输出电压。强大的 1.5Ω 内置 N 沟道 MOSFET 栅极驱动器能够快速转换大的 MOSFET 栅极电压,从而最大限度地降低转换损耗,并允许每通道输出电流高达 10A。此外,一个输出工作时,LTC3788/-1 仅消耗 125uA 电流,而当两个输出都启动时,仅消耗 200uA。
      恒定频率电流模式架构允许并联输出。含有一个时钟输出、相位调制 (用于多相应用)、两个独立的电源良好输出和一个可调电流限制。LTC3788/-1 具有 75kHz 至 850kHz 的可锁相频率或 50kHz 至 900kHz 的可选固定频率。它有可调的逐周期电流限制保护,并运用检测电阻器或通过监视电感器 (DCR) 两端的压降来实现电流检测。在输入电压也许有时超过稳定的输出电压的应用中,LTC3788/-1 能够保持同步 MOSFET 连续接通,以便输出电压以最小的功耗跟踪输入电压。此外,LTC3788/-1 还有可调软启动功能,并在 -40°C 至 125°C 的工作温度范围内保持 ±1% 的基准电压准确度。


一、LTC3788功能和特点:

●宽输入范围:4.5V 至 38V (绝对最大值为 40V),启动之后可在低至 2.5V 运作

●输出电压高达 60V

●±1% 1.2V 基准电压

●RSENSE 或电感器 DCR 电流检测

●针对同步 MOSFET 的 100% 占空比能力

●低静态电流:125μA

●可锁相频率 (75kHz 至 850kHz)

●可编程固定频率 (50kHz 至 900kHz)

●可选的电流限值

●可调输出电压软起动

●电源良好输出电压监视器

●低停机电流 IQ:<8μA

●内部 LDO 从 VBIAS 或 EXTVCC 给栅极驱动器供电


二、LTC3788引脚功能


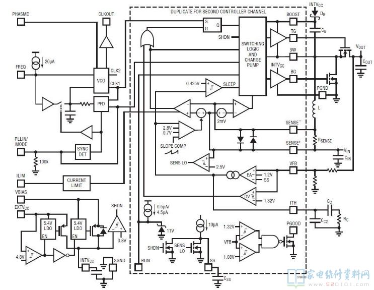
三、LTC3788内部方框图


四、LTC3788典型应用电路