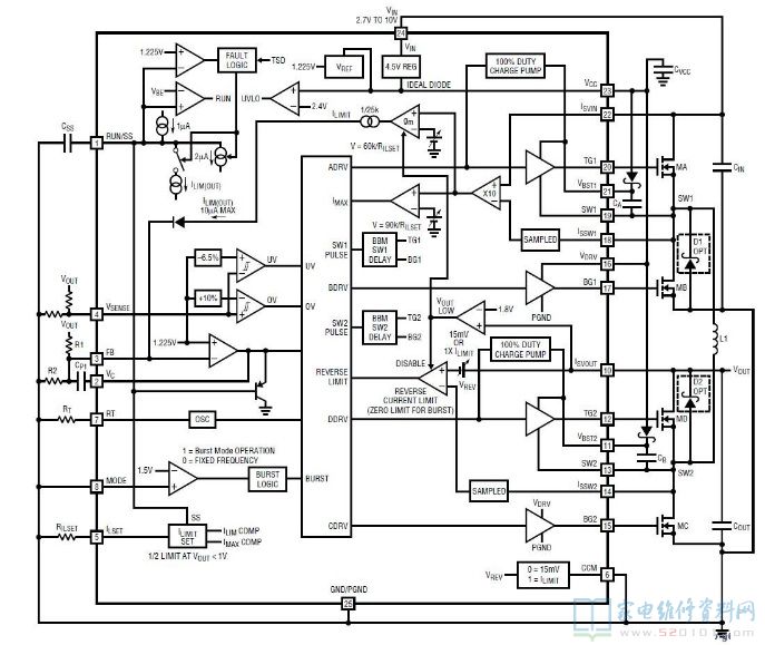
概述:LTC3785 采用4mmx4mmQFN-24封装,该器件工作时输入电压可以高于、低于或等于输出电压。输入电压范围为2.7V至10V,具有同样的输出范围,并可以提供高达50W的输出功率。 采用4开关同步整流,在降压和升压工作模式之间实现无缝转换。

    专有拓扑和控制架构采用 MOSFET RDS 检测,以实现正向和反向限流,从而实现无与伦比的高效率。在想要提高准确度时,可以使用检测电阻。另外,LTC3785 可以突发模式(Burst Mode®)工作,以这种模式工作时,轻负载静态电流可降至低于 100uA,这在由电池供电的系统中是个宝贵的特性。此外,该器件在所有工作模式时还为过压、过流和短路情况提供故障保护。工作频率可以在 100kHz 至 1MHz 的范围内用单个电阻器编程,在停机时还具有真正输出断接能力。


一、LTC3785功能和性能:

• 单电感器架构允许工作时输入电压高于、低于或等于输出电压

• 2.7V 至 10V 输入和输出电压范围

• 4 开关、同步工作实现高达 96% 的效率

• RDS 电流检测提高效率

• 100uA 无负载静态电流

• 以 100kHz 至 1MHz 可编程恒定频率工作

• 过压和过流保护

• 在停机时实现真正输出断接

• 全部采用 N 沟道 MOSFET 电源开关



二、LTC3785引脚功能


三、LTC3785内部方框图


四、LTC3785典型应用电路