概述:LTC4089-1采用纤巧型(6mmx3mmx0.75mm)22引脚DFN封装。

一、LTC4089-1功能和特点:

      能够在多种电源之间实现无缝切换:锂离子电池、USB和6V至36V外部电源

      采用6V至36V输入的高效率1.2A充电器

       从USB输入进行的负载相关充电操作确保了电流规格符合性

      当外部电源/USB输入不存在时,215mΩ的内部理想二极管和任选的外部理想二极管控制器提供了低损耗电源通路

      用于在无过热风险的情况下实现充电速率最大化的恒定电流/恒定电压操作和热反馈功能

      从USB输入进行充电时的可选100%或20%电流限值(例如:500mA/100mA)

      具0.8%准确度的预设4.1V充电电压

      C/10充电电流检测输出

      NTC热敏电阻输入用于适宜温度充电


二、LTC4089-1引脚功能


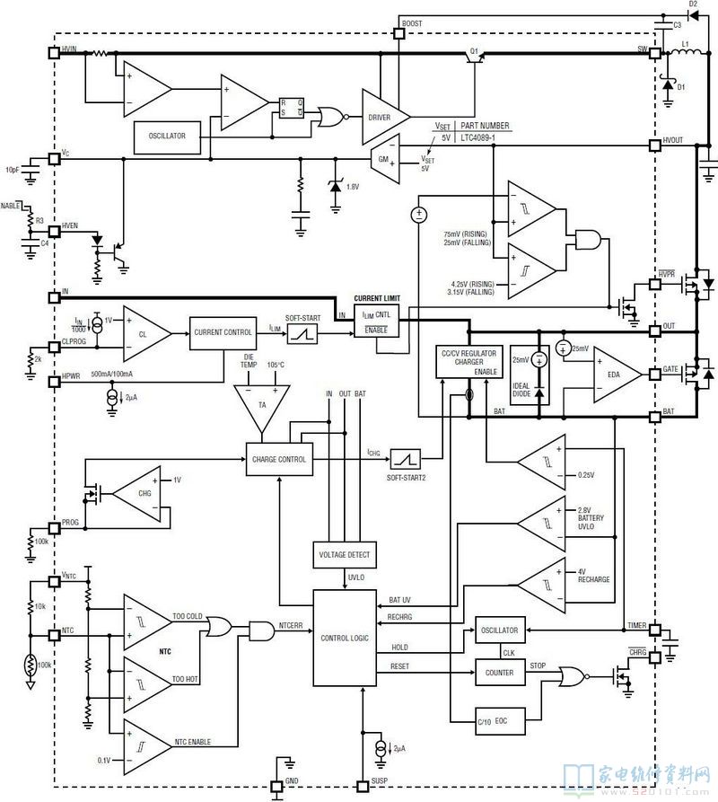
三、LTC4089-1内部方框图


四、LTC4089-1典型应用电路