采用电荷平衡采样数据技术来把一个差分输入电压转换为一个单端信号,然后再由一个零漂移运算放大器对该单端信号进行放大。
差分输入的工作范围为轨至轨,单端输出的摆幅为轨至轨。LTC6800 采用 MS8 表面安装型封装。对于空间受限的应用,LTC6800 采用 3mm x 3mm x 0.8mm 双侧细节距无引线封装 (DFN)。
一、LTC6800引脚功能
二、LTC6800内部方框图
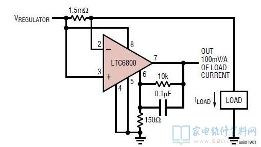
三、LTC6800典型应用电路
差分输入的工作范围为轨至轨,单端输出的摆幅为轨至轨。LTC6800 采用 MS8 表面安装型封装。对于空间受限的应用,LTC6800 采用 3mm x 3mm x 0.8mm 双侧细节距无引线封装 (DFN)。
一、LTC6800引脚功能
二、LTC6800内部方框图
三、LTC6800典型应用电路
网友评论