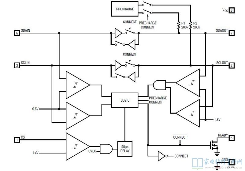
概述: LTC4301采用8引脚MSOP&DFN(3mm×3mm)封装。在插入时为SDA和SCL线预充电至1V,SDA和SCL插脚可承受8kV静电放电(ESD)。它允许I/O卡插入带电的背板,而不会破坏总线数据线(SDA)和时钟线(SCL)。即使当背板和板卡的I2C总线使用不同电平的电源,该集成电路也能在它们之间提供电容隔离。在不影响 IIC 阈值电平的情况下,该独立于电源的特性使得不再需要为配合底板电压而设计专门的连接器引脚。

    在插入时,为SDA和SCL线预充电至1V,以便使总线干扰最小化。在出现停止位或总线处于闲置状态之前,控制电路会阻止背板与板卡的连接。READY输出引脚表示背板和板卡连接在一起。


一、LTC4301引脚功能


二、LTC4301内部方框图


三、LTC4301典型应用电路