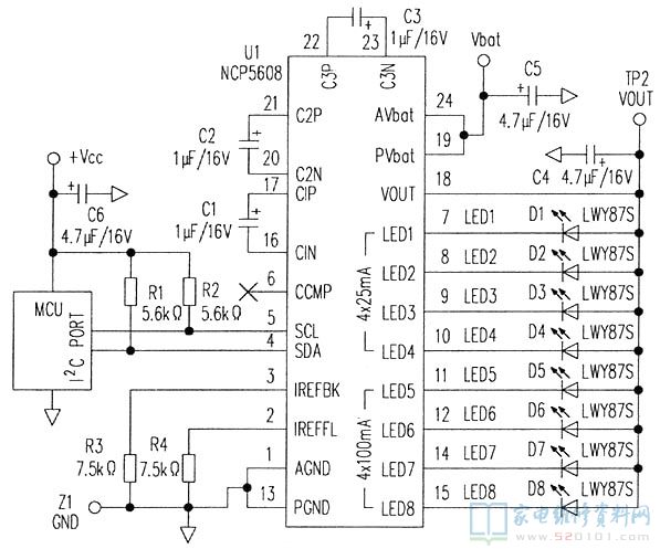
NCP5608是一个可提供高达500mA的总电流、配备8个输出的集成型电荷泵驱动芯片,它的输出电流可由处理器通过I2C端口来调节,同时也能组成不同的LED配置来满足各种平台的需求。

    NCP5608应用电路见附图。芯片提供了各种不同的LED组合变化,从4颗以25mA电流驱动的背光功能与4颗提供闪光灯用的100mA LED,一直到并联所有输出来推动一个高功率LED的闪光灯应用。