概述:LTC3616采用耐热性能增强型24引脚3mmx5mmQFN封装。为高效率、4MHz 同步降压型稳压器。恒定频率、电流模式架构。它提供高达 6A 的连续输出电流,而且其低压差工作允许范围从 0.6V 直到仅比 VIN 低数 mV 的输出电压。LTC3616 采用 2.25V 至 5.5V 的输出电压工作,从而非常适用于单节锂离子电池应用以及 3.3V 或 5V 中间总线系统。其开关频率范围为 300kHz 至 4MHz,是用户可编程的,从而可使用纤巧、低成本电容器和电感器。采用 RDS(ON) 仅为 25mΩ 和 35mΩ 的内部开关,以提供高达 95% 的效率。突发模式 (Burst Mode) 工作可将无负载情况下的静态电流降至仅为 75uA,从而在电池供电应用中最大限度地提高了轻负载效率和运行时间。可调突发模式箝位使设计师能够优化轻负载效率。就需要最低噪声的应用而言,可以配置为以脉冲跳跃或强制连续模式运行,从而降低了噪声和潜在的 RF 干扰。此外,可编程开关转换率可以进一步减轻潜在的噪声问题。还为跟踪功能和 DDR 存储器模式提供输入,在这种模式中,器件可以提供 / 吸收 ±3A 的电流。其它特点包括可选的有源电压定位 (Active Voltage Positioning)、电源良好 (Power Good) 电压监视器、外部同步功能和热保护。 


一、LTC3616功能和特点:       


      ·6A输出电流

      ·2.25V至5.5V的输入电压范围

      ·低输出纹波(<20mVPK-PK)突发模式工作:IQ=75uA

       ·±1%的输出电压准确度

      ·输出电压低至0.6V

      ·高效率:高达95%

      ·低压差工作:100%占空比

      ·在SW节点上的可编程转换率降低噪声和EMI

      ·可调开关频率:高达4MHz

      ·具内部补偿的可选有源电压定位(AVP)

      ·具可调突发箝位的可选脉冲跳跃/强制连续/突发模式工作

      ·可编程软启动

      ·用于启动跟踪或外部基准的输入

      ·DDR存储器模式,IOUT=±3A


二、LTC3616引脚功能


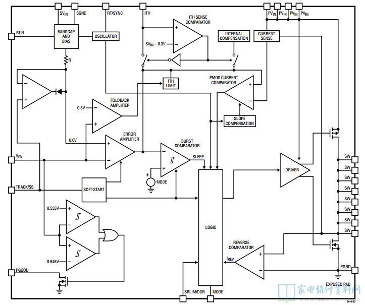
三、LTC3616内部方框图


四、LTC3616典型应用电路