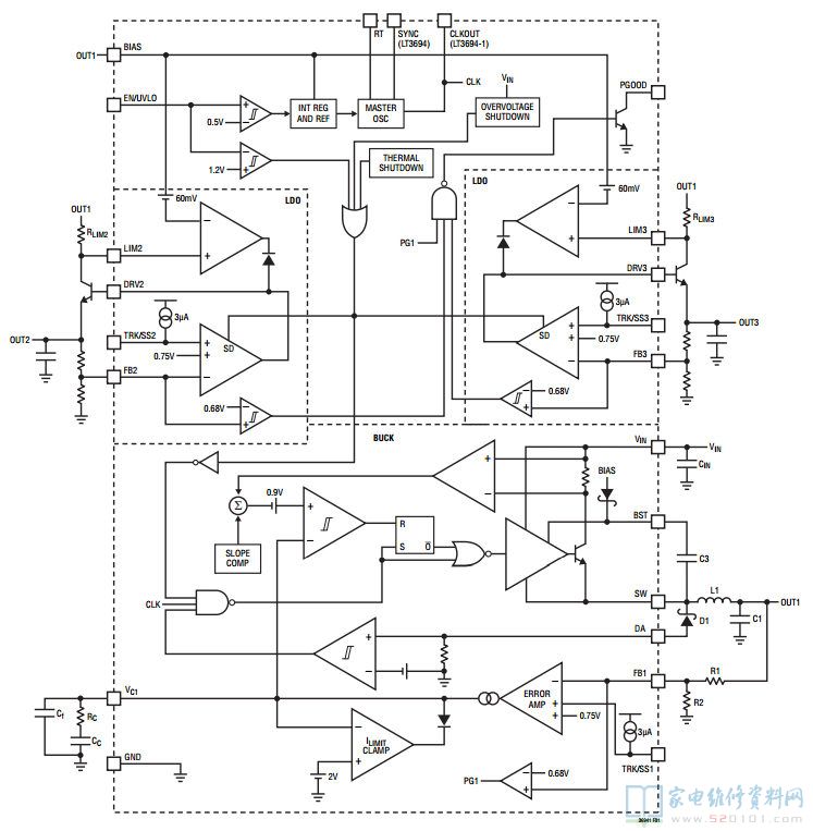
概述:采用耐热性能增强型28引脚4mmx5mmQFN封装和20引脚TSSOP封装,提供了一个CLKOUT引脚,允许其他DC/DC转换器同步至LT3694-1时钟 。为2.6A、36V 降压型开关稳压器。具有两个线性控制器,在 4V 至 36V 的 VIN 范围内工作,具有 70V 的瞬态保护,其内部 3.5A 开关可在电压低至 0.75V 时提供高达 2.6A 的连续输出电流。其开关频率从 250kHz 至 2.5MHz 是用户可编程的,从而使设计师能优化效率,同时避开关键的噪声敏感频段。每个集成的 LDO 控制器都有一个高达 1A 的准确可编程电流限制,以提供额外的可靠性。这些 LDO 控制器与 NPN 晶体管相配合,可用来在主通道之外再提供两个低噪声输出。尽管这些 LDO 控制器可由独立的输入供电,但是从主开关输出给它们供电可同时确保高效率和低噪声。
    主开关采用一个高效率 3.5A 开关,具有必要的振荡器、控制、逻辑电路和 LDO 控制器,这些组件都集成到了单个芯片中。特殊设计方法使该器件在宽输入电压范围内实现了高效率,而且其电流模式拓扑实现了快速瞬态响应和卓越的环路稳定性。二极管电流限制引脚提供了额外的过载保护。其他特点包括电源良好标记、独立的跟踪 / 软启动引脚和可编程欠压闭锁。


一、LT3694-1功能和特点:
●宽输入范围:4V至36V

●过压停机功能可保护电路安全承受70V瞬态电压

●具内部电源开关的2.6A输出开关稳压器

●具可编程电流限值的双通道、低压差、线性稳压控制器

●跟踪/软起动输入和电源良好输出简化了软起动和电源排序

●采用小型电感器及陶瓷电容器

●VOUT(MIN)=0.75V(降压稳压器和LDO)

●250kHz至2.5MHz的可调开关频率

●准确的使能门限提供了用户可编程的欠压闭锁


二、LT3694-1引脚功能


三、LT3694-1内部方框图


四、LT3694-1典型应用电路