一、LTC3707功能和特点:
180度相位双控制器减少所需的输入电容和电源感应噪声; OPTI-LOOP补偿使Cout最小化;在整个温度范围内输出电压精度为±1.5%;双N沟道MOSFET同步驱动;电源良好输出电压状态监测器;DC可设定固定频率:150KHz到300kHz;宽Vin范围:4.5V到28V工作;非常低的压降运作:99%占空比;可调的软启动电流上升斜率;折返式输出电流限制;带失效选项的闭锁短路关断;输出过电压保护;远端输出电压检测;低的关断IQ电流:20&mICro;A;5.7V和3.3V待机稳压器;可选恒定频率,突发模式(Burst Mode)或PWM模式运行。
二、LTC3707引脚功能
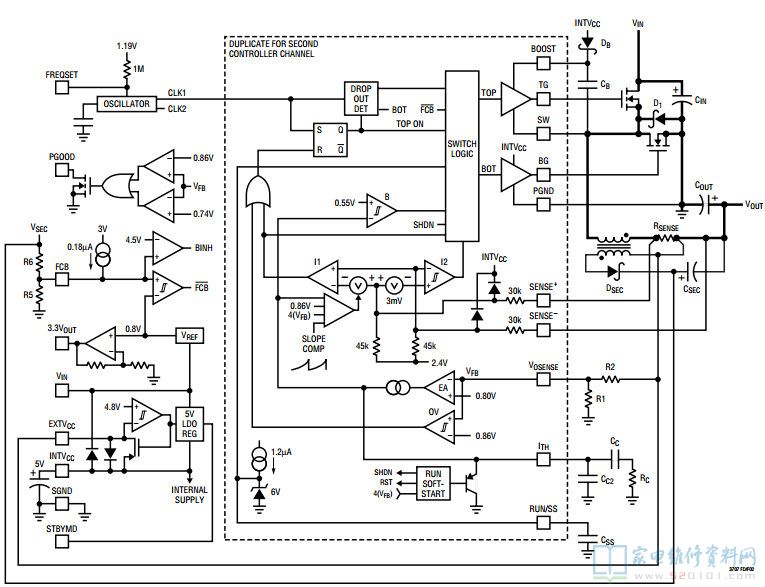
三、LTC3707内部方框图
四、LTC3707典型应用电路
五、LTC3707工作原理分析
如下图所示,LTC3707是一个负反馈控制系统,由RSENSE对负载电流的采样,得到反馈电压,和参考电压比较产生差值,这个差值被传到开关逻辑电路,后者产生驱动电压,控制从输入端到输出端的电流量,直到输出电流与新的负载电流匹配。

在这个电路中,关键是开关逻辑部分和驱动部分,下面给予说明:
假如我们有一个方波信号,占空比为50%,其最大值为5.7V, 最小值为0V。那么这个方波信号的直流成份为2.5V,这个直流信号可以通过低通滤波器得到。当占空比增大,这个直流成份也随之增加,直到5.7V(100%占空比)。在这个环路中,当负载电流变化,Ve增大,导致开关逻辑电路内部方波占空比增加,从而输出电压加大,允许更多的电流从输入端流到输出端。
在驱动电路部分,采用的是MOSFET管控制技术,原理电路如下图所示。开关逻辑部分的输出,经过控制部分,形成了MOSFET管的门电压。MOSFET上的电流会随着栅极和源极间的电压的变化而变化。当负载电流加大的时候,Vtop的增大可以增大M1的电流,从而增加负载电流。而M2实现了连续电流工作模式,某些特殊的负载可能会向驱动电路灌入电流,这时输出电流为负值,这时加大Vbot可以打开M2。

在本设计中采用的是Fairchild的N沟道双路MOSFET,工作电流可以达到8A,RDS却很小,型号为FDS6982S。控制开关采用的是常用的BAT54A,电感则采用10A的大功率贴片电感。
(c) LTC3707工作模式选择
LTC3707有三种工作模式,具有不同的特点,用户可以根据自己的需要来选择工作模式。现将三种模式总结如下表。
LTC3707工作模式选择
|
工作模式 |
连续电流(PWM)模式 |
突发模式 |
恒频模式 |
|
FCB引脚电压 |
FCB<0.8V |
0.8V<FCB<VINTCC-2V |
PCB> VINTCC-2V |
|
特点 |
低电流操作,连续电流操作,效率最低,线性好 |
低电流操作,有一个最低输出电流,效率高 |
输出电流范围大,低噪声,电流可以不连续,频率恒定 |
特点
低电流操作,连续电流操作,效率最低,线性好
低电流操作,有一个最低输出电流,效率高
输出电流范围大,低噪声,电流可以不连续,频率恒定
给FCB引脚提供一个逻辑输入,可以在两种低电流工作模式中进行选择。当FCB引脚电压低于0.800V时,控制器将强制芯片工作在连续PWM电流模式。在此模式下,顶部和底部MOSFET交替导通以维持输出电压且不受电感电流方向影响。当FCB引脚低于VINTVCC-2V但高于0.80V时,控制器进入突发模式。突发模式在禁止顶部开关之前设定最小输出电流,并在电感电流变为负时关断同步MOSFET。在低电流时,前面的这些要求将强制ITH引脚低于一个电压门限,此门限将暂时禁止两个输出MOS管,直到输出电压降低为止。在连到ITH引脚的脉冲比较器B上有60mV的迟滞。这个迟滞产生到MOSFET的输出信号,使它们在几个周期内导通,紧接一个可变时间的”休眠”间隙,这个休眠间隙时间的长短决定于负载电流的大小。通过将迟滞比较器放在误差放大器块后,可以使最后的输出电压纹波保持在一个很小的值。
当FCB引脚连到INTVCC时,突发模式被禁止,同时也没有了强制最小输出电流要求。这在可能的最宽输出电流范围内提供了恒频、不连续的(防止电感电流反向)电流工作模式。恒频工作模式没有突发模式效率高,但该工作模式噪声较低,输出电流可以低到所设计最大输出电流的1%左右。在将电压加到VIN引脚之前FCB引脚不能存在电压。
在我们的应用中,不可能选择低电流工作模式,恒频工作模式成了唯一的选择,FCB引脚和3.3Vout引脚相连,而典型VINTVCC-2V值为3V,这样实现恒频模式选择。
网友评论