• 扬声器种类知多少

    扬声器是一种电声换能器件。对扬声器的分类常有三种方法: 一、按驱动方式分类 1. 电磁式。作用原理是声源信号磁化了的振荡部分与磁体的磁性相互吸引和排斥,产生驱动力。在这种力的作用下使振膜振动而发声。 2. 电动式。作用原理是声源信号电流流过音圈,产生的磁场与磁体磁场相...

       2006-12-15

  • 芯片封装技术知多少

    前言 我们经常听说某某芯片采用什么什么的封装方式,在我们的电脑中,存在着各种各样不同处理芯片,那么,它们又是是采用何种封装形式呢?并且这些封装形式又有什么样的技术特点以及优越性呢?那么就请看看下面的这篇文章,将为你介绍个中芯片封装形式的特点和优点。 一、DIP双列直插式封...

       2006-12-15

  • 选择数字示波器要注意哪些方面

    八十年代数字电路发展很快,而其测试工具——数字示波器也象雨后春笋。由于数字示波器价格比模拟示波器贵得多,所以我们在选择数字示波器时一定要按需要而定,不能盲目的追求高指标,否则会带来很朋的浪费。 一台低档次、高档次的数字示波器价格相差近50倍(8000元-50多万元)。 例如:美国吉...

       2006-12-15

  • 电感器与变压器的分类有哪些

    一、电感器的种类 (一)按结构分类 电感器按其结构的不同可分为线绕式电感器和非线绕式电感器(多层片状、印刷电感等),还可分为固定式电感器和可调式电感器。 固定式电感器又分为空心电子表感器、磁心电感器、铁心电感器等,根据其结构外形和引脚方式还可分为立式同向引脚电感器、卧式轴向引脚电感器、大中...

       2006-12-15

  • 光电耦合器的原理与应用

    光电耦合器具有体积小、使用寿命长、工作温度范围宽、抗干扰性能强.无触点且输入与输出在电气上完全隔离等特点,因而在各种电子设备上得到广泛的应用.光电耦合器可用于隔离电路、负载接口(主要作用)及各种家用电器等电路中。 &n...

    佚名   2006-12-15

  • [图文]复合管复合规律

    在电子制作中,经常会遇到要求特性一致的大功率异型对管的时候(如:互补对称式OTL功放电路、OCL功放电路等),这一类大功率异型对管在市场上往往很难买到,而且价格也非常昂贵。这时,可以采用一对大功率同型管与一对小功率异型对管复合,代替你所需要的大功率异型对管。有时为了...

       2006-12-15

  • [图文]激光二极管的简单检测

    激光二极管工作时发出的红光波长大约在600nm左右,可用于激光打印机、CD机、条形码阅读器等设备上。激光二极管的符号如附图所示。从图中可知,激光二极管由两部分构成,一部分是激光发射部分LD,另一部分为激光接收部分PD。LD和PD两部分又有公共端点b,公共端一般同管子...

       2006-12-15

  • [图文]晶体管超外差收音机整机电路分析

    图Z1013为常用典型七管超外差收音机电路,它主要由输入回路、变频级、中放级、检波级、低放级、功率输出级和AGC电路组成。 一、输入回路 从磁性天线感应的调幅信号送入C1a、C2和L1组成的输入回路进行调谐,选出所需接收的电台信号,通过互感耦合送入变频管T1的基极。 二、变...

       2006-12-15

  • [组图]什么是PN结及半导体基础知识

    在我们的日常生活中,经常看到或用到各种各样的物体,它们的性质是各不相同的。有些物体,如钢、银、铝、铁等,具有良好的导电性能,我们称它们为导体。相反,有些物体如玻璃、橡皮和塑料等不易导电,我们称它们为绝缘休(或非导体)。还有一些物体,如锗、硅、砷化稼及大多数的金属氧化物和金属硫化...

       2006-12-15

  • 浅谈陶瓷滤波器

    陶瓷滤波器按幅频特性分为带阻滤波器(又称陷波器)、带通滤波器(又称滤波器)两类。主要用于选频网络、中频调谐、鉴频和滤波等电路中,达到分隔不同频率电流的目的。具有Q值高,幅频、相 频特性好,体积小、信噪比高等特点。已广泛应用在彩电、收音机等家用电器及其它电子产品中。陶瓷滤波器主要...

       2006-12-15

  • 兆欧表的使用方法及要求

    1.测量前,应将兆欧表保持水平位置,左手按住表身,右手摇动兆欧表摇柄,转速约120r/min,指针应指向无穷大(∞),否则说明兆欧表有故障。2.测量前,应切断被测电器及回路的电源,并对相关元件进行临时接地放电,以保证人身与兆欧表的安全和测量结果准确。3.测量时必须正确接线。兆欧...

       2006-12-15

  • 与初学者谈焊接

    有些初学者认为焊接很简单,其实不然。焊接是 电子工作者必须掌握的一门重要技术。不正确的焊接容易造成虚焊,甚至损坏元件,也会给制作和维修带来不便。本文拟将正确的焊接方法介绍给广大的初学者,供参考。首先是选择电烙铁。对于小型的电子制作项目,20W的烙铁就能满足要求。如果初学焊接时使...

       2006-12-15

  • [组图]晶振的几种接法

    晶振的时钟基准作用我这里就不用多说了,没有去查书,凭记忆依稀记得以下两种常用的接法。1.这种接法的优点就是起振容易,适应频率范围比较宽。具体频率范围本人不记得了。 2.这种接法的优点接法简单,缺点是不那么容易起振,C1,C2要合适。 ...

       2006-12-15

  • [组图]RC振荡电路的几种接法

    采用RC振荡的方法非常多,如文氏桥振荡等。这里介绍几种笔者常用的方法:1.最简单的振荡器 这种振荡器特点是:T≈(1.4~2.3)R*C电源波动将使频率不稳定,适合小于100KHz的低频振荡情况。2.加补偿电阻的振荡 T≈(1.4~2.2)R*C,电源对频率的影响减小,频率稳定...

       2006-12-15

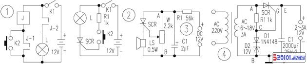
  • [组图]可控硅的几种典型应用

    晶闸管,又称可控硅(单向SCR、双向BCR)是一种4层的(PNPN)三端器件。在电子技术和工业控制中,被派作整流和电子开关等用场。在这里,笔者介绍它们的基本特性和几种典型应用电路。 1. 锁存器电路。 图1是一种由继电器J、电源(+12V)、开关K1和微动开关K2组成的锁存器电路。...

       2006-12-15

  • [图文]自制万用表高频信号探头

    普通万用表只能测音频以下的信号电压。笔者设计的高频信号探头,采用倍压检波将高频信号变为直流电压送至万用表直流电压挡即可测量高频电压信号。拨动K可改变测量范围。电路见上图。...

       2006-12-15

  • [图文]红外线对管的判断方法

    人们习惯把红外线发射管和红外线接收管称为红外对管。红外对管的外形与普通圆形的发光二极管类似。初接触红外对管者,较难区分发射管和接收管。本文介绍三种简便的识别方法。1. 根据内部结构识别 红外对管的内部结构如图1所示。图1(a)是红外发射管,管芯中央凹陷,类似聚光罩的形状。...

       2006-12-15

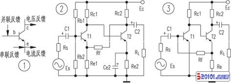
  • [图文]共射放大器反馈类型判断方法

    判断放大器的反馈类型,通常是采用输出端短路或采用取样法判断是电压反馈还是电流反馈。在输入端、是按照反馈信号与输入信号是以电压形式相加减或以电流形式相加减来判断是串联反馈还是并联反馈的。这种判断方法从理论上讲是容易的,但在实际应用中...

       2006-12-15

  • 大学生应该学习哪些电子知识

    在大学里,必须掌握一些基础知识(这是必要的,毕竟你还不知道毕业后将干什么工作),基础知识主要有模拟电路和数字电路以及高等数学知识(必修课).然后重点学习一些别的知识,比如单片机,FPGA,PCB设计,DSP(这些都是选修课),不要什么都学,自己感兴趣的,有条件的学一学.有些人的...

       2006-12-15

  • 开关二极管有哪些种类

    1.开关二极管的作用 开关二极管的作用是利用其单向导电特性使其成为一个较理想的电子开关。 图4-10是开关二极管的应用电路。 开关二极管除能满足普通二极管和性能指标要求外,还具有良好的高频开关特性(反向恢复时间较短),被广泛应用于家电电脑、电视机、通信设备、家用...

       2006-12-15