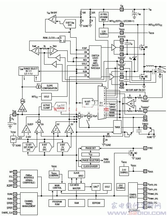
概述:LTC3880采用耐热增强型6mmx6mmQFN-40封装,采用恒定频率电流模式架构。VIN输出电压从4.5V到24V,输出电压VOUT从0.5V到5.5V,输出电压对温度的变化为±0.5%.器件集成了15位ADC,主要用在大电流分布电源系统,通信,数据通信和存储器系统以及智能能效的电源系统。
概述:LTC3880采用耐热增强型6mmx6mmQFN-40封装,采用恒定频率电流模式架构。VIN输出电压从4.5V到24V,输出电压VOUT从0.5V到5.5V,输出电压对温度的变化为±0.5%.器件集成了15位ADC,主要用在大电流分布电源系统,通信,数据通信和存储器系统以及智能能效的电源系统。
网友评论