用手机访问
概述:NCP5608采用4 x 4 x 0.75mm大小的QFN 24脚封装,提供高达500mA的总电流、配备8个输出的集成型电荷泵驱动芯片,它的输出电流可由处理器通过I2C端口来调节,同时也能组成不同的LED配置来满足各种平台的需求。
一、NCP5608引脚功能
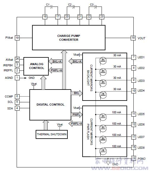
二、NCP5608内部方框图
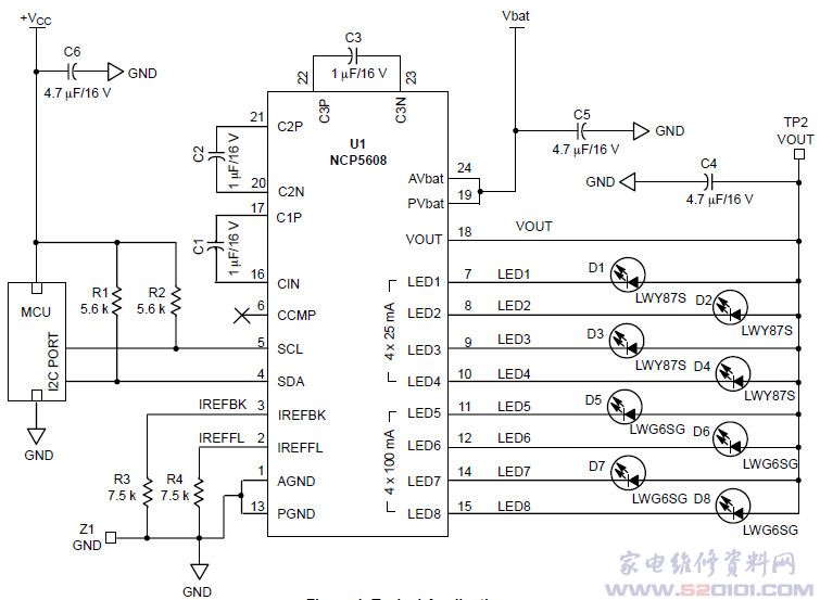
三、NCP5608典型应用电路
网友评论