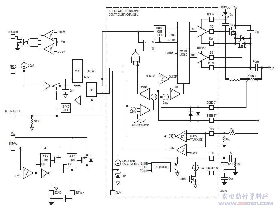
概述:LTC3890-1采用28引脚SSOP封装。为高压双输出同步降压型DC/DC控制器。当一路输出工作时,该器件仅吸取50uA电流,而两路输出都启动时则吸取60uA。两路输出停机时,仅消耗 14uA 电流。输入电源电压范围4V 至 60V 。在输出电流高达 20A 和效率高达 95% 时,每路输出都可以设定在 0.8V 至 24V。具有强大的 1.1Ω 片上 MOSFET 栅极驱动器。该器件以 50kHz 至 900kHz 的可选固定频率运行,而且可以用其锁相环 (PLL) 同步至 75kHz 至 850kHz 的外部时钟。在轻负载时,用户可以选择连续运行、脉冲跳跃和低纹波突发模式 (Burst Mode®) 运行。两相运行降低了对输入滤波和电容的要求。其电流模式架构允许非常容易地实现环路补偿、快速瞬态响应和卓越的电压调节。输出电流检测通过测量输出电感器 (DCR) 两端的电压降完成,以实现最高的效率;或通过使用一个可选的检测电阻器完成。电流折返在过载情况下限制了 MOSFET 的热量。
一、LTC3890-1功能和特点:
宽输入电压范围:4V至60V
·一路输出工作时静态电流为50μA,两路输出都工作时静态电流为60μA
·14uA停机电流
·宽输出电压范围:0.8V至24V
·同步整流以实现高达95%的效率
·DCR或RSENSE电流检测
·可选低纹波突发模式运作、脉冲跳跃或连续运行
·50kHz至900kHz的可选固定工作频率
·采用PLL可同步至75kHz至850kHz的外部时钟
·电流模式控制以实现快速瞬态响应和容易的环路补偿
·可调软启动
·在-40℃至125℃的温度范围内具±1%的电压基准准确度
·输出过压和过流折返保护



网友评论